Wetterschutzgitter aus verzinktem Stahlprofil
Anwendung
Besondere Merkmale
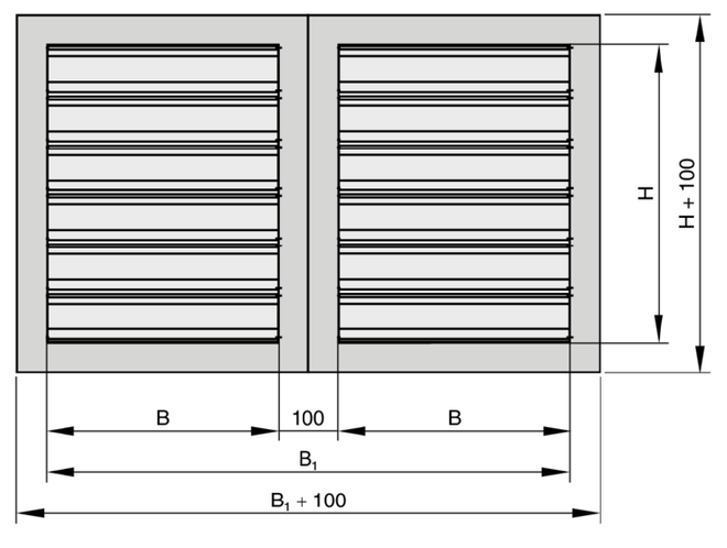
Nenngrößen
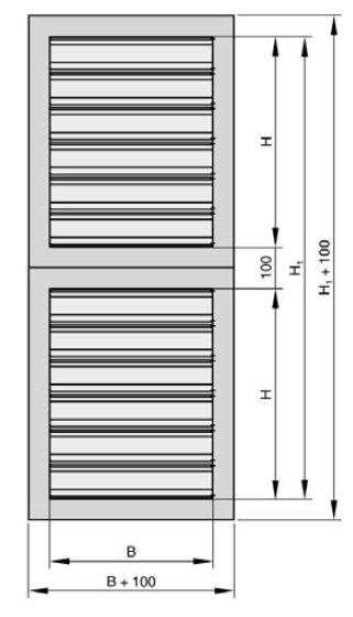
Höhengeteilt maximal = 4720 mm (Zwischenmaßreihe 2311 – 4719 mm in Schritten von 1 mm)
WG-B-AL
Varianten
Ausführung
Schutzgitter
Frontrahmen
Bauteile und Eigenschaften
Zubehör
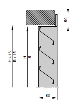
Konstruktionsmerkmale
Materialien und Oberflächen
Instandhaltung
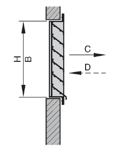
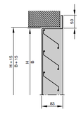
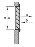
Wetterschutzgitter sind Luftdurchlässe für die Außenluft und Fortluft lufttechnischer Anlagen. Sie werden in Außenwände und Fassaden eingebaut. Durch ihre eng angeordneten Lamellen schützen sie vor direkt eindringendem Regen sowie Laub und Vögeln. Abhängig von der Art und Stärke des Regens und der Strömungsgeschwindigkeit kann es vorkommen, dass geringe Wassermengen mit der Luft einströmen. Die Strömungsgeschwindigkeit in Außenluftöffnungen sollte daher 2 – 2,5 m/s nicht überschreiten.
| Nenngrößen | 200 × 165 – 2400 × 1650/1600 × 2310 mm |
| breitengeteilte Ausführung | bis 4900 mm |
| höhengeteilte Ausführung | bis 4720 mm |
| Gitterband (WG-B-AL) | H: 165 – 1980 mm |
Die Schnellauslegung im Easy Product Finder gibt einen guten Überblick über die
Zu exakten Werten anhand projektspezifischer Daten führt die Auslegung mit unserem Auslegungsprogramm Easy Product Finder.
Den Easy Product Finder finden Sie auf unserer Website:
www.trox.de/mytrox/auslegungsprogramm-easy-poduct-finder-182e16348fac3d33
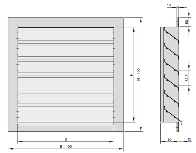
Wetterschutzgitter in rechteckiger Bauform zum Schutz vor direkt eindringendem Regen sowie Laub und Vögeln durch Außenluft- und Fortluftöffnungen. Einbaufertige Komponente, bestehend aus Frontrahmen, regenabweisend und strömungsgünstig geformten Lamellen und rückseitigem Vogelschutzgitter.
Besondere Merkmale
Ausführung
Schutzgitter
Frontrahmen
Materialien und Oberflächen
Technische Daten
Auslegungsdaten
Δpt [Pa]
Strömungsgeräusch
LWA [dB(A)]
| WG | – | AL | – | 2 | – | … | / | 600 × 1155 | / | ER | / | P1 - RAL … |
| | | | | | | | | | | | | | | ||||||
| 1 | 2 | 3 | 4 | 5 | 6 | 7 |
| Material | Aluminium |
| Ausführung | Insektenschutzgitter Stahl verzinkt, Frontrahmen ungelocht |
| Nenngröße | 1200 × 1150 mm |
| Einbaurahmen | ohne |
| Oberfläche | eloxiert, EURAS E6-C-31, leichtbronze |
| WG-B | – | AL | – | E-R | – | 2 | – | … | / | 5500 × 1320 | / | ER | / | P1 - RAL … |
| | | | | | | | | | | | | | | | | |||||||
| 1 | 2 | 3 | 4 | 5 | 6 | 7 | 8 |
| Material | Aluminium |
| Teilstück | 1 Endstück rechts 1250 mm, 1 Mittelstück 2000 mm, 1 Endstück links 1250 mm |
| Ausführung | Welldrahtgitter |
| Nenngröße | 4500 × 1980 mm |
| Einbaurahmen | mit |
| Oberfläche | Grundausführung |
H [mm] | B [mm] | |||||||||||
|---|---|---|---|---|---|---|---|---|---|---|---|---|
| 200 | 400 | 600 | 800 | 1000 | 1200 | 1400 | 1600 | 1800 | 2000 | 2200 | 2400 | |
| 165 | 3 | 4 | 5 | 6 | 8 | 9 | 11 | 13 | 14 | 15 | 17 | 19 |
| 330 | 3 | 5 | 6 | 7 | 9 | 11 | 13 | 14 | 15 | 17 | 19 | 20 |
| 495 | 5 | 6 | 8 | 9 | 11 | 13 | 16 | 18 | 19 | 21 | 24 | 25 |
| 660 | 6 | 7 | 9 | 11 | 13 | 16 | 19 | 21 | 22 | 26 | 28 | 30 |
| 825 | 8 | 9 | 12 | 13 | 16 | 18 | 22 | 24 | 26 | 30 | 33 | 36 |
| 990 | 9 | 10 | 13 | 15 | 18 | 21 | 25 | 28 | 30 | 34 | 38 | 41 |
| 1155 | 11 | 12 | 15 | 17 | 20 | 24 | 28 | 31 | 33 | 39 | 43 | 46 |
| 1320 | 12 | 14 | 16 | 18 | 22 | 26 | 31 | 35 | 37 | 43 | 48 | 52 |
| 1485 | 14 | 16 | 18 | 20 | 24 | 29 | 34 | 38 | 41 | 47 | 52 | 57 |
| 1650 | 15 | 16 | 20 | 22 | 27 | 31 | 37 | 41 | 44 | 51 | 57 | 62 |
| 1815 | 17 | 18 | 21 | 24 | 29 | 34 | 40 | 45 | 48 | 56 | 62 | |
| 1980 | 18 | 19 | 22 | 26 | 31 | 37 | 43 | 48 | 52 | 60 | ||
| 2145 | 20 | 21 | 23 | 28 | 33 | 39 | 46 | 52 | 56 | |||
| 2310 | 21 | 23 | 25 | 30 | 35 | 42 | 49 | 55 | ||||
H [mm] | B₁ [mm] | |||||||||
|---|---|---|---|---|---|---|---|---|---|---|
| 1900 | 2100 | 2300 | 2500 | 2900 | 3300 | 3700 | 4100 | 4500 | 4900 | |
B [mm] | ||||||||||
| 900 | 1000 | 1100 | 1200 | 1400 | 1600 | 1800 | 2000 | 2200 | 2400 | |
| 165 | 14 | 15 | 17 | 18 | 22 | 25 | 27 | 30 | 34 | 37 |
| 330 | 16 | 18 | 20 | 21 | 26 | 28 | 30 | 34 | 38 | 40 |
| 495 | 20 | 22 | 24 | 26 | 32 | 35 | 37 | 43 | 47 | 50 |
| 660 | 24 | 27 | 29 | 31 | 38 | 42 | 44 | 51 | 57 | 61 |
| 825 | 28 | 31 | 34 | 37 | 44 | 49 | 52 | 60 | 66 | 71 |
| 990 | 32 | 36 | 39 | 42 | 50 | 56 | 59 | 68 | 76 | 82 |
| 1155 | 37 | 40 | 44 | 47 | 56 | 62 | 67 | 77 | 86 | 93 |
| 1320 | 41 | 44 | 48 | 52 | 62 | 69 | 74 | 86 | 95 | 103 |
| 1485 | 45 | 49 | 53 | 57 | 68 | 76 | 81 | 94 | 105 | 114 |
| 1650 | 49 | 53 | 58 | 63 | 74 | 83 | 89 | 103 | 114 | 124 |
| 1815 | 53 | 58 | 63 | 68 | 80 | 90 | 96 | 111 | 124 | |
| 1980 | 57 | 62 | 68 | 73 | 86 | 96 | 104 | 120 | ||
| 2145 | 61 | 66 | 72 | 78 | 92 | 103 | 111 | |||
| 2310 | 65 | 71 | 77 | 83 | 98 | 110 | ||||
| H₁ [mm] | H [mm] | B [mm] | |||||||||||
|---|---|---|---|---|---|---|---|---|---|---|---|---|---|
| 200 | 400 | 600 | 800 | 1000 | 1200 | 1400 | 1600 | 1800 | 2000 | 2200 | 2400 | ||
| 2410 | 1155 | 21 | 24 | 30 | 33 | 40 | 47 | 56 | 62 | 67 | 77 | 86 | 93 |
| 2740 | 1320 | 24 | 28 | 33 | 37 | 44 | 52 | 62 | 69 | 74 | 86 | 95 | 103 |
| 3070 | 1485 | 27 | 31 | 37 | 41 | 49 | 57 | 68 | 76 | 81 | 94 | 105 | 114 |
| 3400 | 1650 | 30 | 32 | 40 | 44 | 53 | 63 | 74 | 83 | 89 | 103 | 114 | 124 |
| 3730 | 1815 | 33 | 36 | 42 | 48 | 58 | 68 | 80 | 90 | 96 | 111 | 124 | |
| 4060 | 1980 | 36 | 38 | 44 | 52 | 62 | 73 | 86 | 96 | 104 | 120 | ||
| 4390 | 2145 | 39 | 42 | 46 | 56 | 66 | 78 | 92 | 103 | 111 | |||
| 4720 | 2310 | 42 | 46 | 50 | 60 | 71 | 83 | 98 | 110 | ||||
| H [mm] | B [mm] | |||||||||||
|---|---|---|---|---|---|---|---|---|---|---|---|---|
| 200 | 400 | 600 | 800 | 1000 | 1200 | 1400 | 1600 | 1800 | 2000 | 2200 | 2400 | |
| 165 | 2 | 3 | 4 | 5 | 6 | 7 | 8 | 9 | 10 | 11 | 12 | 13 |
| 330 | 2 | 3 | 4 | 5 | 6 | 7 | 8 | 9 | 10 | 11 | 12 | 13 |
| 495 | 3 | 4 | 5 | 6 | 7 | 8 | 9 | 10 | 11 | 14 | 16 | 19 |
| 660 | 4 | 5 | 6 | 7 | 8 | 10 | 12 | 14 | 15 | 17 | 19 | 22 |
| 825 | 5 | 6 | 7 | 8 | 10 | 12 | 14 | 16 | 19 | 21 | 24 | 26 |
| 990 | 6 | 7 | 8 | 10 | 12 | 15 | 17 | 19 | 21 | 24 | 27 | 30 |
| 1155 | 7 | 8 | 10 | 12 | 14 | 16 | 18 | 21 | 24 | 27 | 30 | 33 |
| 1320 | 8 | 10 | 12 | 14 | 16 | 18 | 21 | 24 | 27 | 30 | 33 | 36 |
| 1485 | 10 | 12 | 14 | 16 | 18 | 21 | 24 | 27 | 30 | 33 | 36 | 39 |
| 1650 | 12 | 14 | 16 | 18 | 21 | 24 | 27 | 30 | 33 | 36 | 39 | 42 |
| 1815 | 14 | 16 | 18 | 21 | 24 | 27 | 30 | 33 | 36 | 39 | 42 | |
| 1980 | 16 | 18 | 20 | 24 | 27 | 30 | 33 | 36 | 39 | 42 | ||
| 2145 | 18 | 20 | 22 | 27 | 30 | 33 | 36 | 39 | 42 | |||
| 2310 | 20 | 22 | 24 | 29 | 33 | 36 | 39 | 42 | ||||
| H [mm] | B₁ [mm] | |||||||||
|---|---|---|---|---|---|---|---|---|---|---|
| 1900 | 2100 | 2300 | 2500 | 2900 | 3300 | 3700 | 4100 | 4500 | 4900 | |
| B [mm] | ||||||||||
| 900 | 1000 | 1100 | 1200 | 1400 | 1600 | 1800 | 2000 | 2200 | 2400 | |
| 165 | 10 | 11 | 12 | 13 | 15 | 17 | 19 | 21 | 23 | 25 |
| 330 | 11 | 12 | 13 | 14 | 16 | 18 | 20 | 22 | 24 | 26 |
| 495 | 13 | 14 | 15 | 16 | 18 | 20 | 22 | 28 | 32 | 38 |
| 660 | 15 | 16 | 18 | 20 | 24 | 28 | 30 | 34 | 38 | 44 |
| 825 | 18 | 20 | 22 | 24 | 28 | 32 | 38 | 42 | 48 | 52 |
| 990 | 22 | 24 | 27 | 30 | 34 | 38 | 42 | 48 | 54 | 60 |
| 1155 | 26 | 28 | 30 | 32 | 36 | 42 | 48 | 54 | 60 | 66 |
| 1320 | 30 | 32 | 34 | 36 | 42 | 48 | 54 | 60 | 66 | 72 |
| 1485 | 34 | 36 | 39 | 42 | 48 | 54 | 60 | 66 | 72 | 78 |
| 1650 | 39 | 42 | 45 | 48 | 54 | 60 | 66 | 72 | 78 | 84 |
| 1815 | 45 | 48 | 51 | 54 | 60 | 66 | 72 | 78 | 84 | |
| 1980 | 51 | 54 | 57 | 60 | 66 | 72 | 78 | 84 | ||
| 2145 | 57 | 60 | 63 | 66 | 72 | 78 | 84 | |||
| 2310 | 62 | 66 | 69 | 72 | 78 | 84 | ||||
| H₁ [mm] | H [mm] | B [mm] | |||||||||||
|---|---|---|---|---|---|---|---|---|---|---|---|---|---|
| 200 | 400 | 600 | 800 | 1000 | 1200 | 1400 | 1600 | 1800 | 2000 | 2200 | 2400 | ||
| 2410 | 1155 | 14 | 16 | 20 | 24 | 28 | 32 | 36 | 42 | 48 | 54 | 60 | 66 |
| 2740 | 1320 | 16 | 20 | 24 | 28 | 32 | 36 | 42 | 48 | 54 | 60 | 66 | 72 |
| 3070 | 1485 | 20 | 24 | 28 | 32 | 36 | 42 | 48 | 54 | 60 | 66 | 72 | 78 |
| 3400 | 1650 | 24 | 28 | 32 | 36 | 42 | 48 | 54 | 60 | 66 | 72 | 78 | 84 |
| 3730 | 1815 | 28 | 32 | 36 | 42 | 48 | 54 | 60 | 66 | 72 | 78 | 84 | 90 |
| 4060 | 1980 | 32 | 36 | 40 | 48 | 54 | 60 | 66 | 72 | 78 | 84 | 90 | 96 |
| 4390 | 2145 | 36 | 40 | 44 | 54 | 60 | 66 | 72 | 78 | 84 | 90 | 96 | 102 |
| 4720 | 2310 | 40 | 44 | 48 | 58 | 66 | 72 | 78 | 84 | 90 | 96 | 102 | 108 |
| H [mm] | M [mm] | E [mm] | |||||
|---|---|---|---|---|---|---|---|
| 2000 | 1000 | 1200 | 1400 | 1600 | 1800 | 2000 | |
| 165 | 10 | 5 | 6 | 7 | 8 | 9 | 10 |
| 330 | 11 | 6 | 7 | 8 | 9 | 10 | 11 |
| 495 | 14 | 7 | 8 | 9 | 10 | 11 | 14 |
| 660 | 17 | 8 | 10 | 12 | 14 | 15 | 17 |
| 825 | 21 | 10 | 12 | 14 | 16 | 19 | 21 |
| 990 | 24 | 12 | 15 | 17 | 19 | 21 | 24 |
| 1155 | 27 | 14 | 16 | 18 | 21 | 24 | 27 |
| 1320 | 30 | 16 | 18 | 21 | 24 | 27 | 30 |
| 1485 | 33 | 18 | 21 | 24 | 27 | 30 | 33 |
| 1650 | 36 | 21 | 24 | 27 | 30 | 33 | 36 |
| 1815 | 39 | 24 | 27 | 30 | 33 | 36 | 39 |
| 1980 | 42 | 27 | 30 | 33 | 36 | 39 | 42 |
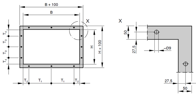
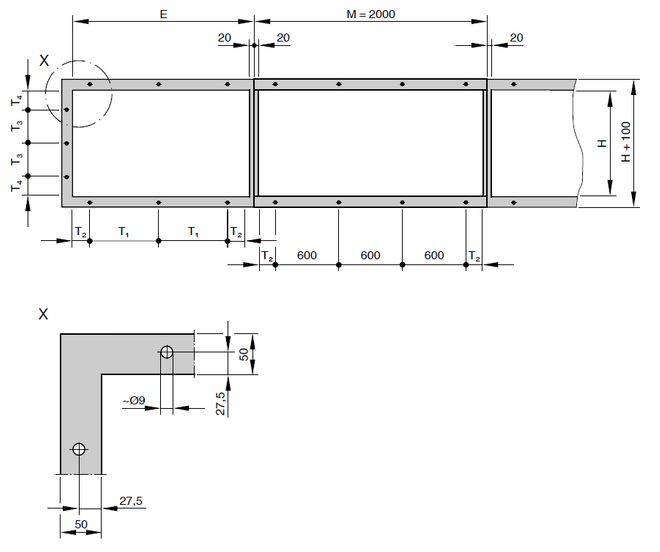
WG, Standardmaßreihe, Breite B, Anzahl Flanschlöcher n
B [mm] | Lochanzahl n | T₁ [mm] | T₂ [mm] |
|---|---|---|---|
| 200 | 1 | – | 100 |
| 400 | 2 | 240 | 80 |
| 600 | 2 | 440 | 80 |
| 800 | 2 | 640 | 80 |
| 1000 | 3 | 420 | 80 |
| 1200 | 3 | 520 | 80 |
| 1400 | 3 | 620 | 80 |
| 1600 | 4 | 480 | 80 |
| 1800 | 4 | 547 | 80 |
| 2000 | 4 | 613 | 80 |
| 2200 | 5 | 510 | 80 |
| 2400 | 5 | 560 | 80 |
WG, Standardmaßreihe, Höhe H, Anzahl Flanschlöcher n
H [mm] | Lochanzahl n | T₃ [mm] | T₄ [mm] |
|---|---|---|---|
| 165 | 1 | – | 83 |
| 330 | 1 | – | 165 |
| 495 | 1 | – | 248 |
| 660 | 1 | – | 330 |
| 825 | 1 | – | 413 |
| 990 | 1 | – | 495 |
| 1155 | 1 | – | 578 |
| 1320 | 2 | 445 | 437 |
| 1485 | 2 | 500 | 492 |
| 1650 | 2 | 555 | 547 |
| 1815 | 2 | 610 | 602 |
| 1980 | 3 | 499 | 491 |
| 2145 | 3 | 540 | 533 |
| 2310 | 3 | 581 | 574 |
WG, Zwischenmaßreihe, Breite B, Anzahl Flanschlöcher n
B [mm] | Lochanzahl n | T₁ [mm] | T₂ [mm] |
|---|---|---|---|
| 165 – 384 | 1 | – | B/2 |
| 385 – 881 | 2 | B - 160 | 80 |
| 882 – 1481 | 3 | (B - 160)/2 | 80 |
| 1482 – 2081 | 4 | (B - 160)/3 | 80 |
| 2082 – 2399 | 5 | (B - 160)/4 | 80 |
WG, Zwischenmaßreihe, Höhe H, Anzahl Flanschlöcher n
H [mm] | Lochanzahl n | T₃ [mm] | T₄ [mm] |
|---|---|---|---|
| 166 – 1319 | 1 | – | H/2 |
| 1321 – 1979 | 2 | (H + 15)/3 | T₃ - 7,5 |
| 1981 – 2309 | 3 | (H + 15)/4 | T₃ - 7,5 |
WG-B-AL, Standardmaßreihe, Breite B, Anzahl Flanschlöcher n
Endstück E [mm] | Lochanzahl n | T₁ [mm] | T₂ [mm] |
|---|---|---|---|
| 1000 | 3 | 410 | 80 |
| 1200 | 3 | 510 | 80 |
| 1400 | 4 | 407 | 80 |
| 1600 | 4 | 473 | 80 |
| 1800 | 4 | 540 | 80 |
| 2000 | 4 | 607 | 80 |
WG-B-AL, Standardmaßreihe, Höhe H, Anzahl Flanschlöcher n
H [mm] | Lochanzahl n | T₃ [mm] | T₄ [mm] |
|---|---|---|---|
| 165 | 1 | – | 83 |
| 330 | 1 | – | 165 |
| 495 | 1 | – | 248 |
| 660 | 1 | – | 330 |
| 825 | 1 | – | 413 |
| 990 | 1 | – | 495 |
| 1155 | 1 | – | 578 |
| 1320 | 2 | 445 | 437 |
| 1485 | 2 | 500 | 492 |
| 1650 | 2 | 555 | 547 |
| 1815 | 2 | 610 | 602 |
| 1980 | 3 | 499 | 491 |
WG-B-AL, Zwischenmaßreihe, Breite B, Anzahl Flanschlöcher n
Endstück E [mm] | Lochanzahl n | T₁ [mm] | T₂ [mm] |
|---|---|---|---|
| 1001 – 1481 | 3 | (E - 180)/2 | 80 |
| 1482 – 1999 | 4 | (E - 180)/3 | 80 |
WG-B-AL, Zwischenmaßreihe, Höhe H, Anzahl Flanschlöcher n
H [mm] | Lochanzahl n | T₃ [mm] | T₄ [mm] |
|---|---|---|---|
| 1001 – 1319 | 1 | – | H/2 |
| 1321 – 1979 | 2 | (H + 15)/3 | T₃ - 7,5 |
Einbau und Inbetriebnahme
Seite teilen
Diese Seite weiterempfehlen
Hier haben Sie die Möglichkeit diese Seite als Link weiter zu empfehlen.
Kontakt
Vielen dank für Ihre Nachricht!
Ihre Empfehlung wurde verschickt und sollte jeden Moment beim Empfänger eingehen.
Kontakt
Wir sind für Sie da
Bitte spezifizieren Sie das Thema Ihrer Anfrage und Ihre Kontaktdaten.
Tel.: +49 (0)2845 / 202-0 | Fax: +49 (0)2845/202-265
Kontakt
Vielen Dank für Ihre Nachricht!
Ihre Nachricht in ist unserem Service Center eingegangen und wird bearbeitet.
Unsere Abteilung für Service-Anfragen wird sich in Kürze mit Ihnen in Verbindung setzten.
Für allgemeine Fragen zu Produkten und Services erreichen Sie uns auch unter:
Tel.: +49 (0)2845 / 202-0 | Fax: +49 (0)2845/202-265
Kontakt
Wir sind für Sie da
Bitte spezifizieren Sie das Thema Ihrer Anfrage und Ihre Kontaktdaten.
Tel.: +49 (0)2845 / 202-0 | Fax: +49 (0)2845/202-265
Kontakt
Vielen Dank für Ihre Nachricht!
Ihre Nachricht in ist unserem Service Center eingegangen und wird bearbeitet.
Unsere Abteilung für Service-Anfragen wird sich in Kürze mit Ihnen in Verbindung setzten.
Für allgemeine Fragen zu Produkten und Services erreichen Sie uns auch unter:
Tel.: +49 (0)2845 / 202-0 | Fax: +49 (0)2845/202-265