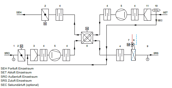
1 Außentemperaturfühler (optional)
2 Absperrklappe mit Stellantrieb (Fortluft und Außenluft)
3 Außenluftfilter ISO ePM1 inklusive Druckdifferenzüberwachung
4 Schalldämpfer
5 Ventilator (Zu- und Abluft)
6 Rotationswärmerückgewinner
7 Lufterhitzer
8 Luftkühler (Change-over-System oder 4-Leiter)
9 Zulufttemperaturfühler
10 CO2‑Sensor (optional)
11 Abluftfilter ISO Coarse
Funktionsbeschreibung
Dezentrale Zu- und Abluftgeräte be- und entlüften den Raum und decken die Heizlast gemäß den technischen Daten ab. Die Außenluft wird von einem EC‑Radialventilator angesaugt und strömt durch die motorisierte Absperrklappe sowie durch den Außenluftfilter. Danach strömt die Außenluft durch den Rotationswärmerückgewinner, der in energetisch sinnvollen Betriebssituationen abgeschaltet werden kann. Bevor die Zuluft mit Impuls aus dem Zuluftgitter deckennah (Coanda-Effekt) zugfrei in den Raum strömt, wird sie bei Bedarf im Wärmeübertrager noch geheizt (bzw. optional gekühlt). Die Abluft strömt durch den Abluftfilter, bevor sie durch den Wärmerückgewinner, den Abluftventilator und die motorisierte Absperrklappe als Fortluft ins Freie gefördert wird. Bei ausreichend guter Raumluftqualität kann durch die FSL‑CONTROL III Regelung durch Schließen der Außenluftklappen in den energetisch sinnvollen Sekundärluftbetrieb umgeschaltet werden. Die Regelung vergleicht dabei die Sollwerte der Raumluftqualität mit den am CO2‑Sensor gemessenen Istwerten und schaltet automatisch zwischen Außenluft- und Sekundärluftbetrieb um. Zum Brandschutz, Frostschutz und zur Vermeidung von Zugluft werden bei Stromausfall die Außenluft- und Fortluftklappe zugefahren. Hierzu besitzen die Stellantriebe einen Energiespeicher. Die Zuluft strömt mit mittlerer Geschwindigkeit dicht unter der Decke in den Raum. Durch den Coanda-Effekt wird der Luftstrom nach oben abgelenkt und bleibt an der Deckenunterseite haften. Dies ermöglicht sehr große Wurfweiten, wodurch auch große Räume effektiv durchlüftet werden können. Wenn die Zuluft die Wand gegenüber dem Luftaustritt erreicht, entsteht eine Raumluftwalze. Die im Aufenthaltsbereich angekommene Zuluft hat eine sehr geringe Luftgeschwindigkeit und strömt an Wärmequellen hoch – z. B. an Menschen und Geräten. Sie bildet durch natürliche Konvektion eine Auftriebsströmung. Dadurch wird primär in diesen Bereichen die Luft ausgetauscht. Die aufgestiegene verbrauchte Luft wird direkt unter der Decke ins Gerät abgesaugt und ins Freie abgeführt.
Breite | 2228 mm, 2420 mm, 2770 mm, 2765 mm |
Höhe | 401 mm, 433 mm |
Tiefe | 854 mm, 923 mm |
Volumenstrom | 200, 300, 400 m³/h (Boost 600 m³/h) |
Nennvolumenstrom | 400 m³/h |
Schalldruckpegel bei Nennvolumenstrom und 8 dB | 35 dB(A) |
Schallleistungspegel | 33 – 51 dB(A) |
Wärmerückgewinnungsgrad | 75% |
maximaler Betriebsdruck wasserseitig | 6 bar |
maximale Betriebstemperatur | 75 °C |
Versorgungsspannung | 230 V AC ±10 %, 50/60 Hz |
Anschlussleistung | 640 VA |
Gewicht | 225 kg |
| SA-D | – | HV | – | T | – | 4 | – | 1 | – | BB | – | Q | / | 2770 × 401 × 854 | / | 0 | / | C3 | – | MA | – | T | / | MR | / | C | / | Z | / | A | / | HV | – | R | – | 0.4 | / | KV | – | R | – | 0.63 |
| | | | | | | | | | | | | | | | | | | | | | | | | | | | | | | | | | | | | | | | | | | | | |||||||||||||||||||||
| 1 | 2 | 3 | 4 | 5 | 6 | 7 | 8 | 9 | 10 | 11 | 12 | 13 | 14 | 15 | 16 | 17 | 18 | 19 | 20 | 21 | 22 |
1 Serie
SA-D Deckenlüftungsgerät X-CUBE/SCHOOLAIR-D
2 Variante
HV hoher Volumenstrom und Rotationswärmerückgewinner
3 Einbausituation
0 Einbau integriert in abgehängte Decke
F freihängender Einbau
T teilintegriert in abgehängte Decke
Z Einbau in eine vorab montierte Zarge1
I Einbausituation noch offen2
4 Wärmeübertrager
2 2-Leiter
4 4-Leiter
5 Wärmeübertragerausführung
Ausführung angeben (technische Auslegung mit TROX EPF oder TROX CONFIGURATOR)
6 Ausführung
BB Außenluftanschluss nach hinten, Fortluftanschluss nach hinten
LB Außenluftanschluss nach links, Fortluftanschluss nach hinten (nicht mit Einbausituation F oder Anschluss W)
BR Außenluftanschluss nach hinten, Fortluftanschluss nach rechts (nicht mit Einbausituation F oder Anschluss W)
LR Außenluftanschluss nach links, Fortluftanschluss nach rechts (nicht mit Einbausituation F oder Anschluss W)
7 Anschluss
0 ohne Anschluss (nur mit Einbausituation I)
W Wandanschlussdichtsatz für Außen- und Fortluft (nicht mit Einbausituation I) B Bundkragen für Außen- und Fortluft (nicht mit Einbausituation I)
Q Kanalstutzen für Außen- und Fortluft (und nicht mit Einbausituation I)
8 Nenngröße [mm]
Breite x Höhe x Tiefe
2228 x 401 x 854 (nur mit Einbausituation 0)
2420 x 401 x 854 (nur mit Einbausituation F)
2770 x 401 x 854 (nur mit Einbausituation T)
2765 x 433 x 923 (nur mit Einbausituation Z)
2220 x 401 x 854 (nur mit Einbausituation I)
9 Oberfläche (Sichtseite)
0 pulverbeschichtet, RAL 9010 (reinweiß), GE 30
P1 pulverbeschichtet, RAL 7012 (basaltgrau), GE 30 oder alternativen RAL-CLASSIC-Farbton angeben, GE 30
10 Regelung
OR ohne Regelung
C3 mit FSL-CONTROL III
11 Regelungsfunktion
MA Master
SL Slave
12 Echtzeituhr
Nur mit Regelungsfunktion MA
Keine Eintragung: ohne Echtzeituhr
T mit Echtzeituhr
13 Schnittstelle
Keine Eintragung: ohne Schnittstelle
MT mit Modbus TCP
MR mit Modbus RTU (nur mit Regelungsfunktion MA)
BI mit BACnet IP
BM mit BACnet MS/TP (nur mit Regelungsfunktion MA)
14 Luftqualitätsfühler
Nur mit Regelungsfunktion MA
Keine Eintragung: ohne Luftqualitätsfühler
C mit CO2-Sensor
V mit VOC-Sensor
15 Zulufttemperaturfühler
Z mit Zulufttemperaturfühler
16 Außenlufttemperaturfühler
Nur mit Regelungsfunktion MA
Keine Eintragung: ohne Außentemperaturfühler
A mit Außentemperaturfühler
17 Heizventil
HV mit thermoelektrischem Antrieb
HVE mit elektromotorischem Antrieb
18 Rücklaufverschraubung Heizkreis
R mit Rücklaufverschraubung
19 Kvs-Wert Heizventil
0,25 (Durchgangsventil)
0,40 (Durchgangsventil)
0,63 (Durchgangsventil)
1,00 (Durchgangsventil)
F0,50 (druckunabhängiges Regelventil)
20 Kühlventil
Nur mit Wärmeübertrager 4
KV mit thermoelektrischem Antrieb
KVE mit elektromotorischem Antrieb
21 Rücklaufverschraubung Kühlkreis
Nur mit Wärmeübertrager 4
R mit Rücklaufverschraubung
22 Kvs-Wert Kühlventil
Nur mit Wärmeübertrager 4
0,25 (Durchgangsventil)
Seite teilen
Diese Seite weiterempfehlen
Hier haben Sie die Möglichkeit diese Seite als Link weiter zu empfehlen.
Kontakt
Vielen dank für Ihre Nachricht!
Ihre Empfehlung wurde verschickt und sollte jeden Moment beim Empfänger eingehen.
Kontakt
Wir sind für Sie da
Bitte spezifizieren Sie das Thema Ihrer Anfrage und Ihre Kontaktdaten.
Tel.: +49 (0)2845 / 202-0 | Fax: +49 (0)2845/202-265
Kontakt
Vielen Dank für Ihre Nachricht!
Ihre Nachricht in ist unserem Service Center eingegangen und wird bearbeitet.
Unsere Abteilung für Service-Anfragen wird sich in Kürze mit Ihnen in Verbindung setzten.
Für allgemeine Fragen zu Produkten und Services erreichen Sie uns auch unter:
Tel.: +49 (0)2845 / 202-0 | Fax: +49 (0)2845/202-265
Kontakt
Wir sind für Sie da
Bitte spezifizieren Sie das Thema Ihrer Anfrage und Ihre Kontaktdaten.
Tel.: +49 (0)2845 / 202-0 | Fax: +49 (0)2845/202-265
Kontakt
Vielen Dank für Ihre Nachricht!
Ihre Nachricht in ist unserem Service Center eingegangen und wird bearbeitet.
Unsere Abteilung für Service-Anfragen wird sich in Kürze mit Ihnen in Verbindung setzten.
Für allgemeine Fragen zu Produkten und Services erreichen Sie uns auch unter:
Tel.: +49 (0)2845 / 202-0 | Fax: +49 (0)2845/202-265