X-CUBE SCHOOLAIR-V_img_08psd.psd.link
SCHOOLAIR-V 4L

X-CUBE_img_52tif.tif

Kreuzstrom-Wärmerückgewinner

 

 

VDI6022_gs_01ai.ai.link

Geprüft nach VDI 6022

SCHOOLAIR-V_img_03psd.psd.link

Wasseranschlussbereich

SCHOOLAIR-V_img_04psd.psd.link

Revision Filter

SCHOOLAIR-B_img_03psd.psd.link

Justierfuß

X-CUBE SCHOOLAIR-V_img_08psd.psd.link
X-CUBE_img_52tif.tif
VDI6022_gs_01ai.ai.link
SCHOOLAIR-V_img_03psd.psd.link
SCHOOLAIR-V_img_04psd.psd.link
SCHOOLAIR-B_img_03psd.psd.link

X-CUBE SCHOOLAIR-V-4L 

Zu- und Abluftgerät mit Umschaltmöglichkeit auf Sekundärluftbetrieb, inklusive Kreuzstrom-Wärmerückgewinner und Wärmeübertrager zum vertikalen Einbau an der Fassade

 Anschlussfertiges dezentrales Lüftungsgerät zur komfortablen Raumtemperierung sowie Be- und Entlüftung von Räumen wie z. B. Unterrichts- oder Besprechungsräumen und Kindertagesstätten

  • Akustisch optimierte EC-Ventilatoren mit niedriger spezifischer Ventilatorleistung, nach DIN EN 16798-3 SFP = 0
  • Kreuzstrom-Wärmerückgewinner (Rückwärmzahl 52 %) 
  • Hocheffizienter Wärmeübertrager zum Heizen und Kühlen als 4- Leiter-System
  • Anschluss des Wärmeübertragers raumseitig rechts
  • Kondensatwanne mit oder ohne Kondensatanschluss
  • Ganzjährige Nutzung der Wärmerückgewinnung optional möglich
  • Reduzierung der Feinstaub- und Pollenbelastung durch integrierte Luftfilter nach VDI 6022 – Filterklasse ISO ePM1 65 % und Abluft ISO Coarse 75 %
  • Werkzeugloser Filterwechsel
  • Motorisierte Absperrklappen, stromlos geschlossen
  • Montage während des Schulbetriebs möglich

Optionale Ausstattung und Zubehör

  • Speziell auf dezentrale Lüftungsgeräte ausgelegte und modular aufgebaute Regelung FSL-CONTROL III
  • Holzverkleidung als Raumlösung in diversen Farben inklusive TROX Lüftungsgittern für Zu- und Abluft (Selbstbausatz)

 

Technische Information

Funktion, Technische Daten, Schnellauslegung, Ausschreibungstext, Bestellschlüssel

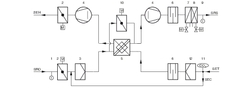
  • Funktion
  • TECHNISCHE DATEN
  • SCHNELLAUSLEGUNG
  • AUSSCHREIBUNGSTEXT
  • BESTELLSCHLÜSSEL

 


 

Breite

397 mm

Höhe

2350 mm

Tiefe

359 mm

Volumenstrom

150, 200, 250 m³/h (Boost 320 m³/h)

Nennvolumenstrom

250 m³/h

Schallleistungspegel

31 – 46 dB(A)

Wärmerückgewinnungsgrad

52 %

maximaler Betriebsdruck wasserseitig6 bar
maximale Betriebstemperatur

75 °C

Versorgungsspannung230 V AC ±10 %, 50/60 Hz
Anschlussleistung

226 VA

Gewicht

80 kg

X-CUBE/SCHOOLAIR-V (Auslegungsbeispiel 4-Leiter-Ausführung – aktiv heizen)

Zuluftvolumenstrom

m³/h

150

200

250

320

GesamtkühlleistungW

690

920

1150

1420

RaumkühlleistungW

401

534

668

812

Temperatur der Luft im Gerät°C

32

32

32

32

relative Feuchte

%

40

40

40

40

Wassergehalt der trockenen Luft

kg11,911,911,911,9
Zulufttemperatur°C1818

18

18,4

Kondensatg/h

0

0

0

0

Kaltwassermengel/h

80

140

190

220

Wassereintrittstemperatur°C16161616
Wasseraustrittstemperatur°C

23,4

21,6

21,2

21,6

Druckverlust wasserseitigkPa

2,5

6

10

12,5

GesamtheizleistungW

2770

3580

4340

5200

RaumheizleistungW

842

1029

1102

1176

Temperatur der Luft im Gerät°C

-12

-12

-12

-12

Zulufttemperatur°C

36,8

35,4

33,2

31,0

Warmwassermengel/h

100

150

200

230

Wassereintrittstemperatur°C60606060
Wasseraustrittstemperatur°C

35,9

39,2

41,1

40,3

Druckverlust wasserseitigkPa

3,5

7

11,5

15

Schallleistungspegel LWA

dB(A)

31

36

41

46

Schalldruckpegel inkl. 8 dB SystemdämpfungdB(A)

23

28

33

38

Wirkleistung Pel

W

24

34

44

70

Luftseitige Daten Kühlbetrieb:

  • Temperatur/relative Feuchte Außenluft: 32 °C/40 %
  • Temperatur/relative Feuchte Raumluft: 26 °C/50 %
     

Luftseitige Daten Heizbetrieb:

  • Temperatur/relative Feuchte Außenluft: -12 °C/90 %
  • Temperatur/relative Feuchte Raumluft: 20 °C/35 %

 

X-CUBE/SCHOOLAIR-V (Auslegungsbeispiel 4-Leiter-Ausführung – isotherme Zulufteinbringung)

Zuluftvolumenstrom

m³/h

150

200

250

320

GesamtkühlleistungW

790

1050

1300

1570

RaumkühlleistungW

411

534

668

759

Temperatur der Luft im Gerät°C

34

34

34

34

relative Feuchte

%

36

36

36

36

Wassergehalt der trockenen Luft

kg11,911,911,911,9
Zulufttemperatur°C

17,8

18

18

18,9

Kondensatg/h

0

0

0

0

Kaltwassermengel/h

100

160

160

200

Wassereintrittstemperatur°C16161616
Wasseraustrittstemperatur°C

22,8

21,6

21,6

22,8

Druckverlust wasserseitigkPa

3,5

7

11

11

GesamtheizleistungW

2020

2730

3430

4150

RaumheizleistungW

130

214

276

150

Temperatur der Luft im Gerät°C

-12

-12

-12

-12

Zulufttemperatur°C

23,6

24,2

24,3

22,4

Warmwassermengel/h

60

90

130

160

Wassereintrittstemperatur°C

50

50

50

50

Wasseraustrittstemperatur°C

20,9

23,7

27,1

27,5

Druckverlust wasserseitigkPa

2

3,5

6

8,5

Schallleistungspegel LWA

dB(A)

31

36

41

46

Schalldruckpegel inkl. 8 dB SystemdämpfungdB(A)

23

28

33

38

Wirkleistung Pel

W

24

34

44

70

Luftseitige Daten Kühlbetrieb:

  • Temperatur/relative Feuchte Außenluft: 34 °C/36 %
  • Temperatur/relative Feuchte Raumluft: 26 °C/50 %
     

Luftseitige Daten Heizbetrieb:

  • Temperatur/relative Feuchte Außenluft: -12 °C/90 %
  • Temperatur/relative Feuchte Raumluft: 21 °C/35 %


X-CUBE/SCHOOLAIR-V-4/KM/397×2350×359/C3

Brüstungsgeräte für die Montage vertikal an der Fassade

Bitte beachten:
Die beschriebene Brüstungslüftungsgerätevariante ist mit einer im Gerät integrierten Einzelraumregelung für autarken Klassenraumbetrieb ausgestattet.

Die gelieferten Regler beinhalten die Parameter der Standardregelung für einen Betrieb gemäß unserer Regelungsbeschreibung.

Schullüftungsgerät – vertikaler Einbau – Mastergerät

Brüstungslüftungsgerät TROX X-CUBE/SCHOOLAIR-V-4L mit Zu- und Abluftfunktion, Wärmerückgewinnung und Umschaltmöglichkeit auf Sekundärluftbetrieb (luftqualitätsabhängig) sowie Heiz- und Kühlfunktion zum Einbau senkrecht an der Fassade:

  • Gerätegehäuse aus verzinktem Stahlblech, Deckel und Blechverbindungen über Gewindetiefzüge und Edelstahlkreuzschlitzschrauben, alle notwendigen internen Luftkanalführungen abgedichtet und ausgekleidet, interne Elektrokabeldurchführungen abgedichtet, Sichtflächen pulverbeschichtet (RAL 9005, Tiefschwarz)
  • Schall- und wärmedämmende Auskleidung auf Saug- und Druckseite aus glasseidenkaschierter Mineralwolle (Baustoffklasse A, nicht brennbar nach DIN 4102, T1), abriebfest bis Luftgeschwindigkeiten von 20 m/s oder geschlossenporigem Dämmstoff
  • Das Gerät entspricht den hygienischen Anforderungen der VDI 6022
  • Höhenverstellbare Justierfüße, +40 mm, zum Ausgleich von Rohbautoleranzen
  • Oben angeordnete Langlochlasche mit 2 Langlöchern (6,5 × 13,5 [mm]) zur Befestigung an der Wand
  • Im unteren Bereich des Gerätes (hinter dem Wärmeübertrager) 2 Langlöcher (6,5 × 13,5 [mm]) zur Befestigung an der Wand
  • Anschluss an die bauseitigen Außenluft- und Fortluftöffnungen der Fassade durch umlaufendes geschlossenporiges Dichtband auf der Geräterückseite, d = 10 mm, der Ansaug- und Ausblaswiderstand der bauseitigen Konstruktion sollte bei Nennvolumenstrom 20 Pa nicht überschreiten
  • Abluftansaugung von Raumseite im oberen Bereich der Gerätefront
  • Einsatz von 2 energiesparenden EC-Radialgebläsen, Zu- und Abluftventilator eingestuft in Kategorie SFP 0 (< 300 W/(m³/s)) nach DIN EN 16798-3:2017-11, elektrische Leistungsaufnahme des gesamten Gerätes bei Nennvolumenstrom 250 m³/h <44 W, zur Dimensionierung der Anschlussleitung ist eine Anschlussleistung von 226 VA zu berücksichtigen
  • Geeignet für 3 Drehzahlstufen (150, 200 und 250 m³/h sowie Boost-Stufe mit 320 m³/h), Ansteuerung über geräteinterne Einzelraumregelung, Volumenstromstufenkorrektur durch Anpassung der Steuerspannung nachträglich möglich
  • Erfüllt alle Anforderungen der EU-Verordnung 1253/2014 (Erp-Richtlinie)
  • Schallleistungspegel im Zu-Abluftbetrieb bei 150/200/250/320 m³/h = 31/36/41/46 dB(A) (entspricht bei einer Raumdämpfung von 8 dB einem Schalldruckpegel von = 23/28/33/38 dB(A)). Die Angaben der Messungen beziehen sich auf Schallleistungsmessungen eines Einzelgerätes in einem Hallraum entsprechend der Genauigkeitsklasse 1. Je nach Einbausituation sind Abweichungen möglich
  • Integrierter rekuperativer, Kreuzstrom- Wärmeübertrager (WRG) zur Wärmerückgewinnung in seewasserbeständiger Aluminiumausführung, mit hohem Wirkungsgrad aufgrund spezieller Plattenstruktur, Plattenabständen und Paketlänge, inklusive Kondensatwanne und Ableitung in die Kondensatwanne des Wärmeübertragers
  • Mit elektromotorischem Bypass, der einen großen Teilluftvolumenstrom an der WRG vorbei führt, Antrieb 24 V (stetig), Ansteuerung über geräteinterne Einzelraumregelung
  • Motorische Absperrklappen in Außen- und Fortluftbereich, stromlos geschlossen im inaktiven Zustand durch Energiespeicher, Antrieb 230 V, Auf – Zu, Ansteuerung über geräteinterne Einzelraumregelung
  • Automatische Umschaltung auf Sekundärluftbetrieb (nur in Verbindung mit Luftqualitätssensor) erfolgt, sofern die Raumluftqualität (gemessen am z. B. geräteinternen CO2-Sensor) innerhalb der zuvor definierten Grenzwerte liegt. Dazu werden die Außenluftklappen zugefahren, die selbsttätige Sekundärluftklappe öffnet sich, und der Abluftventilator wird abgeschaltet
  • Im Gerät enthaltene elektrische Komponenten komplett verdrahtet mit FSL-CONTROL III, Regelkomponenten werden im Gerät integriert. Kabel zum bauseitigen Anschluss (Anschluss nicht Lieferumfang TROX) der Spannungsversorgung (L, N, PE) mit Aderendhülsen ca. 1 m aus dem Gerät herausgeführt: Als Übergabestelle zum bauseitigen Gewerk Elektro:
    • Spannungsversorgung (230 V): 3 Adern, 3 × 1,5 mm² (L, N, PE)
  • Anschlussmöglichkeit für Buskommunikation (optional), Anschluss Raumbediengerät etc. nach Öffnung des Kundenbereichs der Regelung. Als Übergabestelle zum bauseitigen Gewerk Messen/Steuern/Regeln:

    • Reihenklemmen Typ Wago 260 für den bauseitigen Anschluss von
      • Digitalen Eingängen DI
      • Digitalen Ausgängen DO
      • Master-Slave-Verbindung RS485
      • Optionale Integration in MBE/GA via RS485 (Modbus/BACnet)
      • Raumbediengerät
      • RJ45-Buchse als Servicezugang zur Bedienoberfläche
      • Optionale Integration in eine bauseitige MBE/GA via Ethernet (Modbus/BACnet)
  • Folgende Fühler werden zur Steuerung der Einzelraumregelung im Gerät angeordnet (die Raum-Ist-Temperatur wird am Raumbediengerät erfasst):
    • Raumluftqualitätssensor CO2
    • Zulufttemperaturerfassung nach dem Wärmeübertrager
    • Außenlufttemperaturerfassung in der Außenluftansaugung
    • 4-Leiter-Aluminium-Kupferrohr-Wärmeübertrager zur Lufterwärmung und Kühlung, abgestimmt auf die projektspezifischen Daten, zur Reinigung leicht abnehmbar (entscheidend ist die bauseitige Anbindung an die Hauptverrohrung, nicht Lieferumfang TROX), Entleerungs- und Entlüftungsmöglichkeit pro Heiz-/Kühlkreislauf, Anordnung raumseitig rechts. Wir empfehlen eine Anbindung an das bauseitige Rohrnetz mit flexiblen Schläuchen (nicht im Lieferumfang TROX), um den Wärmeübertrager zur Reinigung leicht entnehmen zu können
    • Übergabepunkte sind die handfest vormontierten Regelungskomponenten
      • Im Rücklauf Ventile: Übergabe mit G ½"-Außengewinde flach dichtend
      • Im Vorlauf Rücklaufverschraubungen: Übergabe mit G ½"-Außengewinde flach dichtend
    • Leicht reinigbare Kondensatwanne mit Kondensatableitung mit Ablauf Ø 12 × 1 [mm] aus verzinktem Stahlblech (pulverbeschichtet, RAL 9005)
  • Außenluftfilter als Plisseefilter Klasse ePM1 (Feinstaubfilter):
    • Filterklasse nach ISO16890: ISO ePM1 65 %
    • Eurovent zertifiziert
    • ePM1-Filtermedien aus hochwertigem, nassfestem Glasfaserpapier sind in enge Falten gelegt, die Abstandshalter sind aus thermoplastischem Schmelzkleber und sorgen für einen gleichmäßigen Abstand (4 mm) der Falten zueinander
    • Der Rahmen ist aus feuchtigkeitsbeständigem Vlies mit Auszuglaschen und darf den Durchströmquerschnitt nicht verkleinern (Filtergröße = Durchströmquerschnitt)
    • Filterfläche > = 2,96 m²
  • Abluftfilter Klasse G3 (Grobstaubfilter) als Flachfiltermedium, Filterklasse nach ISO16890: ISO coarse 75 %
  • Schneller Wechsel der Filter möglich, da Filtereinschub nach Öffnung der bauseitigen Verkleidung werkzeugfrei öffenbar über bedienerfreundliche Vierteldrehverschlüsse (Zugänglichkeit darf von der bauseitigen Brüstungsverkleidung nicht eingeschränkt werden)
  • Geschlossenporige Dichtbänder zur Abdichtung und Anpassung an die bauseitige Verkleidung nicht Lieferumfang TROX
  • Die bauseitige Brüstungsverkleidung erhält Perforationen in festzulegenden Bereichen für die Zulufteinbringung, zur Abluft- und Sekundärluftansaugung und darf auf der Gerätevorderseite Wartungsarbeiten sowie Gerätemontage und -demontage nicht einschränken
  • Lichter Abstand Vorderkante Gerät zur Innenkante der Brüstungsverkleidung ca. 30 mm
  • Die Gerätefront muss nach Demontage der bauseitigen Verkleidung komplett zugänglich sein

Geräte – Abmessungen und Gewicht

  • Breite: ca. 397 mm 
  • Höhe: ca. 2350 mm (ohne Justierfußbereich, ohne Befestigungslasche)
  • Tiefe: ca. 359 mm (ohne Fassadenandichtung, ohne PG/M-Verschraubungen)
  • Ca. 80 kg
     

FSL-CONTROL III Regler

Inklusive Regelsystem FSL-CONTROL III, wie nachfolgend beschrieben:

FSL-CONTROL III ist als autarke Einzelraumregelung mit einfachem Zeitprogramm beschrieben. Optionale Erweiterungen, wie z. B. Integration in eine bauseitige MBE/GA via Modbus TCP, Modbus RTU, BACnet MS/TP oder BACnet IP, Feuchtesensorik, Rücklauftemperaturfühler, elektromotorische Ventilantriebe oder druckunabhängige Regelventile, sind im Lieferprogramm enthalten, müssen aber in der folgenden Beschreibung gegen die Standardkomponenten ausgetauscht werden. Zudem wird ein Raumtemperatursignal benötigt. Dazu stehen verschiedene Raumbediengeräte und Fühler zur Auswahl. Die zugehörigen optionalen Ausstattungstextbausteine finden Sie im Anhang der nachfolgenden Standardausstattung für raumautarken Betrieb  - siehe Optionales Regelungszubehör. Wir empfehlen eine Inbetriebnahme durch TROX. Zugehörige Textbausteine finden Sie weiter unten.

TROX Regelmodul FSL-CONTROL III (Bestellschlüssel ...-C3-MA ...)

  • Einzelraumregler zur DIN-Schienen-Montage im Gerät oder in separatem Regelungsgehäuse
  • 42 digitale bzw. analoge Ein- und Ausgänge
  • Als Flashspeichermedium ist eine microSD-Karte mit mindestens 2 GB Speicherplatz integriert. Dort werden die Trenddaten gespeichert und sind über die RJ45-Buchse abrufbar
  • Werkseitig mit speziell für dezentrale Lüftungsgeräte entwickeltem Softwarepaket für Mastergeräte ausgestattet. Die Software ermöglicht eine einfache Master-Slave-Kommunikation über Modbus RTU
  • Es können bis zu 10 Slavegeräte an ein Mastergerät angeschlossen werden
  • Die Software stellt 3 Betriebsmodi (Aus, Automatik und Handbetrieb), 3 Betriebsarten (Anwesend, Abwesend und Standby) und 4 Betriebsartenübersteuerungen (Boost, Klausur, Nachtlüftung und Lüfterzwangsschaltung) zur Verfügung
  • Grundsätzliche Unterscheidung zwischen Raumtemperaturregelung durch Ansteuerung von Heiz- und Kühlventilen bzw. stetiger Bypassklappe oder Zulufttemperaturregelung für isothermen Lüftungsbetrieb
  • CO2-geführte Luftqualitätsregelung
  • Ganzjährige WRG-Nutzung
  • Filterüberwachung
  • Konfigurierbare DI für bauseitigen Anschluss von Präsenzmeldern, Fensterkontakten, Ferienschaltung etc.
  • Alarmmeldungen: Typ A (Abschaltungen) und Typ B (Benachrichtigungen)


RTC Echtzeituhr

Real-Time-Clock (RTC/Echtzeituhr) (Bestellschlüssel ...-T/...):

  • Bestandteil des Master-Software-Pakets
  • Ermöglicht ein einfaches Zeitprogramm
    • 7 Tage mit jeweils 10 Schaltpunkten
    • Automatische Sommer-/Winterzeitumschaltung
    • Zeitliche Aktivierung der Nachtauskühlung

CO2-Sensor

CO2-Sensor (Bestellschlüssel .../C/...):

  • In der Abluftansaugung des Mastergerätes angeordneter Sensor zur Erfassung der Raumluftqualität und entsprechender Steuerung des Außenluftvolumenstroms
  • Messung über einen NDIR-Sensor, der auf Infrarotbasis arbeitet und durch sein 2-Strahl-Messprinzip etwaige Verschmutzungen kompensiert
  • Messbereich 0 – 2000 ppm

Zulufttemperaturfühler

Zulufttemperaturfühler (Bestellschlüssel .../Z/...):


  • Zulufttemperaturfühler mit NTC-Thermistor als Fühlerelement, Widerstand 10 kΩ bei 25 °C, Messbereich -35 – 105 °C
  • Besonders schnelle Reaktionszeit durch gelochte Messspitze

Außenlufttemperaturfühler

Außenlufttemperaturfühler (Bestellschlüssel .../A/...):

  • Außenlufttemperaturfühler mit NTC-Thermistor als Fühlerelement, Widerstand 10 kΩ bei 25 °C, Messbereich -35 – 105 °C

Wasserseitige Komponenten

Wasserseitige Komponenten (Bestellschlüssel…/HV-R-…):

Ventilstellantrieb:

1 × thermoelektrischer Stellantrieb zum Öffnen und Schließen von Ventilen, mit Stellungsanzeige, inklusive steckbarer Anschlussleitung, Betriebsspannung 24 V DC, Steuerspannung 0 – 10 V DC, Leistungsaufnahme 1 W, Schutzart: IP 54

Durchgangsventil:

1 × Durchgangskleinventil ½" Standard, handfest vormontiert, PN 16, DN 10, kvs 0,4 (alternativ 0,25, 0,63 oder 1,0 m³/h – bitte nennen Sie uns den benötigten kvs-Wert), Ventilgehäuse Durchgangsform mit Außengewinde beidseitig ½“ flach dichtend, Medientemperatur 1 – 110 °C

Rücklaufverschraubung:

1 × Rücklaufverschraubung beidseitig ½“, handfest vormontiert, Nennweite DN 15; Ventilgehäuse Durchgangsform mit Außengewinde beidseitig ½“ flach dichtend, zur Regulierung und Absperrung, Medientemperatur maximal 120 °C

Optionales Regelungszubehör

Optionale Ausstattungsmöglichkeiten zur Komfortsteigerung der Regelung FSL-CONTROL III:

TROX Raumbediengeräte für FSL-CONTROL III:

Je Raum wird mindestens ein Raumtemperatursignal benötigt. Es stehen von TROX diverse Varianten an Raumbediengeräten zur Verfügung, wahlweise mit oder ohne Stufenschaltung. Zusätzlich bieten wir einen Raumtemperaturfühler RTF ohne Bedienelemente an. Alternative bauseitige Raumbediengeräte müssen über eine Buskommunikation aufgeschaltet werden.

Digitale Raumbediengeräte für Aufputzmontage:

Für die Bedienung und Einstellung der Lüftungsgeräte.

  • Lose als Beistellteil mitgeliefert. Anbindung an Mastergerät über Modbus Serial line. Projektspezifische Software inklusive Sollwertsteller, diverser Statusanzeigen, Stufenschalter, CO2-Ampel. Berührungsempfindliches Farbdisplay 3,5", 320 × 240 Pixel. Sensor: NTC 10 kΩ. Schutzart: IP 20. Typ: Schneider TM172DCLWT. Abmessungen (H × B × T): 120 × 86 × 25 mm. Gewicht: 340 g. Farbe: weiß. Montage: Wandaufbau oder auf Standard-Unterputzdose. Versorgung: 24 V DC (inklusive passendem Schaltnetzteil für Unterputzmontage). Leistungsaufnahme: 3,2 VA/1,3 W. Optional weitere Designrahmen gegen Mehrpreis auf Anfrage erhältlich

Raumbediengeräte mit Stufenschalter für Aufputzmontage

Raumbediengerät mit Stufenschaltung, Typ Thermokon, Aufputzmontage:

  • Lose als Beistellteil mitgeliefert, mit Raumtemperaturfühler, Sollwertversteller, Übersteuerungstaste, LED und 3-Stufenschalter sowie Aus und Automatik, Gehäuse aus PVC0 reinweiß (RAL 9010), Montage auf 60 mm Unterputzdose oder direkt auf der Wand, NTC-Thermistor als Fühlerelement, Widerstand 20 kΩ bei 25 °C, Abmessungen (B × H × T): 84,5 × 84,5 × 25 mm, Betriebstemperatur: -35 – 70 °C


Raumbediengeräte ohne Stufenschalter für Aufputzmontage

Raumbediengerät ohne Stufenschalter, Typ Thermokon, Aufputzmontage:

  • Lose als Beistellteil mitgeliefert, mit Modusanzeige, Taster und Sollwertverstellung, Sensor NTC 20 kΩ, Schutzart: IP 20, Abmessungen (B × H × T) 84,5 × 84,5 × 25 mm


Raumtemperaturfühler für Aufputzmontage

Raumtemperaturfühler TROX RTF,  Aufputzmontage:

  • Lose als Beistellteil mitgeliefert, Raumfühler ohne Bedienelemente, Messbereich: -35 – 70 °C, Sensor NTC 10 kΩ, Anschlussklemme Schraubklemme, Kabelquerschnitt 1,5 mm2, Schutzart IP 20, Montage Wandaufbau oder auf 70 mm Unterputzdose, Abmessungen (B × H × T) 85 × 85 × 30 mm, Gehäuse ABS in RAL 9010


Raumbediengeräte ohne Stufenschalter für Unterputzmontage:

Manuelle Bedienung der Lüftungsgeräte, hochwertige Optik, passende Designrahmen aus verschiedenen Schalterprogrammen. Die Geräte eignen sich besonders für designorientierte Einrichtungen.

Raumbediengerät ohne Stufenschalter, Typ Thermokon, Unterputzmontage, Schalterprogramm Berker S.1 polarweiß

  • Lose als Beistellteil mitgeliefert, mit Modusanzeige, Taster und Sollwertverstellung, Sensor NTC 20 kΩ, Schutzart: IP 20

Raumbediengerät ohne Stufenschalter, Typ Thermokon, Unterputzmontage, Schalterprogramm Berker Q.3, weiß

  • Lose als Beistellteil mitgeliefert, mit Modusanzeige, Taster und Sollwertverstellung, Sensor NTC 20 kΩ, Schutzart: IP 20


Raumbediengerät ohne Stufenschalter, Typ Thermokon, Unterputzmontage, Schalterprogramm Busch Jäger future linear, weiß

  • Lose als Beistellteil mitgeliefert, mit Modusanzeige, Taster und Sollwertverstellung, Sensor NTC 20 kΩ, Schutzart: IP 20
  • Weitere Schalterprogramme auf Anfrage


Raumbediengeräte ohne Stufenschalter und ohne Sollwertsteller für Unterputzmontage:

Raumbediengerät ohne Stufenschalter und ohne Sollwertsteller, Typ Thermokon, Unterputzmontage, Schalterprogramm Gira E2

  • Lose als Beistellteil mitgeliefert, mit Modusanzeige und Taster, Sensor NTC 20 kΩ, Schutzart: IP 20
  • Weitere Schalterprogramme auf Anfrage

Elektromotorische Ventilstellantriebe als Alternative zum standardmäßig installierten thermoelektrischen Stellantrieben:

  • 2 × elektromotorische Stellantriebe zum Öffnen und Schließen von Ventilen, Betriebsspannung AC/DC 24 V, maximale Leistungsaufnahme 2,5 VA, Ansteuerung Stellsignal 3-Punkt DC 0 – 10 V, zulässige Medientemperatur 1 – 110 °C

Druckunabhängige Regelventile als Alternative zu den standardmäßig installierten Durchgangskleinventilen:

  • 2 × druckunabhängige Regelventile, handfest vormontiert mit modulierender Auf/Zu-Regelung in Kombination mit einem von außen einstellbaren, dynamischen Volumenstromregler, mit voller Ventilautorität, Nennweite DN 10, Ventilgehäuse Durchgangsform mit Außengewinde beidseitig ½" flach dichtend, Medientemperatur 0 – 120 °C


Schnittstelle zur Integration in eine bauseitige MBE/GA:

Modbus TCP-Schnittstelle inklusive Webserver (Bestellschlüssel .../MT/...):

Zur Komfortsteigerung empfehlen wir die Integration in eine bauseitige MBE/GA oder die Visualisierung mit X-TAIRMINAL. FSL-CONTROL III bietet die Möglichkeit, via Modbus TCP-Protokoll in eine bauseitige MBE/GA integriert zu werden. Zusätzlich inklusive Webserver zur vereinfachten Konfiguration, Inbetriebnahme und Fernüberwachung des Gerätes. Die MBE/GA ist nicht im Lieferumfang TROX enthalten, hier sind lediglich die zuvor aufgeführten Schnittstellen verfügbar.

  • Modbus TCP-Schnittstelle (Ethernet)

BACnet IP-Schnittstelle inklusive Webserver (Bestellschlüssel .../BI/...):

Zur Komfortsteigerung empfehlen wir die Integration in eine bauseitige MBE/GA. FSL-CONTROL III bietet die Möglichkeit, via BACnet-IP-Protokoll in eine bauseitige MBE/GA integriert zu werden. Zusätzlich inklusive Webserver zur vereinfachten Konfiguration, Inbetriebnahme und Fernüberwachung des Gerätes. Die MBE/GA ist nicht im Lieferumfang TROX enthalten, hier sind lediglich die zuvor aufgeführten Schnittstellen verfügbar.

  • BACnet IP-Schnittstelle (Ethernet)

Modbus RTU (Bestellschlüssel .../MR/...):

Zur Komfortsteigerung empfehlen wir die Integration in eine bauseitige MBE/GA. FSL-CONTROL III bietet die Möglichkeit, via Modbus RTU in eine bauseitige MBE/GA integriert zu werden. Die MBE/GA ist nicht im Lieferumfang TROX enthalten, hier sind lediglich die zuvor aufgeführten Schnittstellen verfügbar.

  • Modbus RTU-Schnittstelle (RS485)

BACnet MS/TP (Bestellschlüssel .../BM/...):

Zur Komfortsteigerung empfehlen wir die Integration in eine bauseitige MBE/GA. FSL-CONTROL III bietet die Möglichkeit, via BACnet MS/TP in eine bauseitige MBE/GA integriert zu werden. Die MBE/GA ist nicht im Lieferumfang TROX enthalten, hier sind lediglich die zuvor aufgeführten Schnittstellen verfügbar.

  • BACnet MS/TP-Schnittstelle (RS485)

Ausführung als SLAVEGERÄT 

Baugleich zum MASTERGERÄT, wie zuvor beschrieben, jedoch mit folgenden Abweichungen:

  • Keine Raumluftqualitätsmessung im Gerät
  • Keine Anschlussmöglichkeit für Raumbediengeräte
  • Keine Außentemperaturerfassung in der Außenluft
  • Keine Aufschaltung auf bauseitige Buskommunikation möglich
  • Vormontiertes autarkes Regelsystem für dezentrale Fassadenlüftungsgeräte in SLAVE-Ausführung

Ersatzfilterset passend zur Geräteausführung

  • Abluftfilter als Filtermattenzuschnitt
  • Außenluftfilter als Plisseefilter

Inbetriebnahme der dezentralen Lüftungsgeräte

Inbetriebnahme/Parametrisierung der dezentralen Lüftungsgeräte ohne Integration in eine bauseitige MBE/GA

  • Sichtprüfung der bauseits vorgenommenen Geräteanschlüsse auf Übereinstimmung mit den jeweiligen Einbauvorgaben aus der Installations- und Konfigurationsanleitung: Luftanschlüsse; Heizungs-/Kälteanbindung; Elektroanschlüsse; Einbindung in die installierte Geräteverkleidung; Anschlüsse externer Teilnehmer
  • Prüfung und gegebenenfalls Anpassung der im Werk voreingestellten Projektparameter im Hinblick auf kundenspezifische Anpassungen
  • Funktionsprüfung der einzelnen Komponenten (Stellglieder, Ventilatoren, Ventile, Klappen, Sensoren)
  • Überprüfung der projektspezifischen Regelfunktionen inklusive eventueller Sonderfunktionen wie z. B. potentialfreier Schaltkontakte
  • Dokumentation der Geräteeinstellungen und des Einsatzes in einem Servicebericht. Der Servicebericht ist von Ihrem Unternehmen als Auftraggeber oder Ihrem Vertreter zu unterzeichnen
  • Die Abrechnung erfolgt als Pauschale, abgeleitet aus Geräteanzahl und Entfernung


Inbetriebnahme/Parametrisierung der dezentralen Lüftungsgeräte mit Integration in eine bauseitige MBE/GA

  • Sichtprüfung der bauseits vorgenommenen Geräteanschlüsse auf Übereinstimmung mit den jeweiligen Einbauvorgaben aus der Installations- und Konfigurationsanleitung: Luftanschlüsse; Heizungs-/Kälteanbindung; Elektroanschlüsse; Einbindung in die installierte Geräteverkleidung; Anschlüsse externer Teilnehmer; Anschlüsse der MBE/GA
  • Prüfung und gegebenenfalls Anpassung der im Werk voreingestellten Projektparameter im Hinblick auf kundenspezifische Anpassungen
  • Funktionsprüfung der einzelnen Komponenten (Stellglieder, Ventilatoren, Ventile, Klappen, Sensoren)
  • Überprüfung der projektspezifischen Regelfunktionen inklusive eventueller Sonderfunktionen wie z. B. potentialfreier Schaltkontakte
  • Funktionsprüfung der Kommunikation zur MBE/GA in Zusammenarbeit mit der bestellten MSR-Firma:
    • Überprüfung der bauseitig vorzunehmenden Einstellungen auf Übereinstimmung mit den Vorgaben aus der Installations- und Konfigurationsanleitung
    • Eingangsprüfung der bauseitig gesendeten Datenpunkte
    • Ausgangsprüfung der ausgegebenen Datenpunkte
    • Probebetrieb der von der MBE/GA schaltbaren Betriebszustände
  • Dokumentation der Geräteeinstellungen und des Einsatzes in einen Servicebericht. Der Servicebericht ist von Ihrem Unternehmen als Auftraggeber oder Ihrem Vertreter zu unterzeichnen
  • Die Abrechnung erfolgt als Pauschale, abgeleitet aus Geräteanzahl und Entfernung

Einweisung in Bedienung und Wartung

  • Einmalige Unterweisung zur Bedienung der dezentralen Lüftungsgeräte bestehend aus:
    • Beschreibung der Gerätefunktionen am bereits in Betrieb genommenem Gerät
    • Beschreibung der Raumbedieneinheit und der damit beeinflussbaren Raumkonditionen
    • Beschreibung der Wartungsarbeiten
  • Die Abrechnung erfolgt als Pauschale und wird durch den verantwortlichen Vertriebsmitarbeiter durchgeführt

SA-V41KM / 397 × 2350 × 359 / C3MAT / MR / C / Z / A / HVR0,40 / KVR0,40
|||||||||||||||||||
12345678910111213141516171819
1 Serie
SA-V
 vertikales dezentrales Lüftungsgerät X-CUBE/SCHOOLAIR-V

2 Variante
Keine Eintragung: Standard

3 Wärmeübertrager
4 4-Leiter

4 Wärmeübertragerausführung
Ausführung angeben (technische Auslegung mit TROX EPF oder TROX CONFIGURATOR)

5 Ausführung
KO
 ohne Kondensatablauf
KM mit Kondensatablauf

6 Nenngröße [mm]
Breite × Höhe × Tiefe
397 × 2350 × 359

7 Regelung
OR
 ohne Regelung
C3 mit FSL-CONTROL III

8 Regelungsfunktion
MA
Master
SL Slave

9 Echtzeituhr
Nur mit Regelungsfunktion MA
Keine Eintragung: ohne Echtzeituhr
T mit Echtzeituhr

10 Schnittstelle
Keine Eintragung: ohne Schnittstelle
MT mit Modbus TCP
MR mit Modbus RTU (nur mit Regelungsfunktion MA)
BI mit BACnet IP
BM mit BACnet MS/TP (nur mit Regelungsfunktion MA)

11 Luftqualitätsfühler
Nur mit Regelungsfunktion MA
Keine Eintragung: ohne Luftqualitätsfühler
C mit CO2-Sensor
V mit VOC-Sensor

12 Zulufttemperaturfühler
Z
 mit Zulufttemperaturfühler

13 Außenlufttemperaturfühler
Nur mit Regelungsfunktion MA
Keine Eintragung: ohne Außenlufttemperaturfühler
A mit Außenlufttemperaturfühler

14 Heizventil 
Nur mit Wärmeübertrager 2 oder 4
HV mit thermoelektrischem Antrieb 
HVE mit elektromotorischem Antrieb

15 Rücklaufverschraubung Heizkreis
Nur mit Wärmeübertrager 2 oder 4
R mit Rücklaufverschraubung

16 kVS-Wert Heizventil 
Nur mit Wärmeübertrager 2 oder 4
0,25 (Durchgangsventil)
0,40 (Durchgangsventil)
0,63 (Durchgangsventil)
1,00 (Durchgangsventil)
F0,50 (druckunabhängiges Regelventil)

17 Kühlventil
Nur mit Wärmeübertrager 4
KV mit thermoelektrischem Antrieb 
KVE mit elektromotorischem Antrieb

18 Rücklaufverschraubung Kühlkreis
Nur mit Wärmeübertrager 4
R mit Rücklaufverschraubung

19 kVS-Wert Kühlventil
Nur mit Wärmeübertrager 4
0,25 (Durchgangsventil)
0,40 (Durchgangsventil)
0,63 (Durchgangsventil)
1,00 (Durchgangsventil)
F0,50 (druckunabhängiges Regelventil)


Bestellbeispiel: SA-V-4-1-KM/397×2350×359/C3-MA-T/MR/C/Z/A/HV-R-0,40/KV-R-0,40

SerieSA-VDeckenlüftungsgerät X-CUBE/SCHOOLAIR-V
Variante-Standard
Wärmeübertrager44-Leiter
Wärmeübertragerausführung1Wärmeübertrager Typ 1
AusführungKMmit Kondensatablauf
Nenngröße [mm]397×2350×359Breite 397, Höhe 2350, Tiefe 359
RegelungC3mit FSL-CONTROL III
RegelungsfunktionMAMaster
EchtzeituhrTmit Echtzeituhr
SchnittstelleMRmit Modbus RTU
LuftqualitätsfühlerCmit CO2-Sensor
ZulufttemperaturfühlerZmit Zulufttemperaturfühler
AußenlufttemperaturfühlerAmit Außenlufttemperaturfühler
HeizventilHVmit thermoelektrischem Antrieb
Rücklaufverschraubung HeizkreisRmit Rücklaufverschraubung
kVS-Wert Heizventil0,400,40 (Durchgangsventil)
KühlventilKVmit thermoelektrischem Antrieb
Rücklaufverschraubung Kühlkreis Rmit Rücklaufverschraubung
kVS-Wert Kühlventil0,400,40 (Durchgangsventil)

Abmessungen, Produktdetails

  • Produktdetails

Einbau und Inbetriebnahme

  • Aufstellung auf dem Fußboden vor der Außenwand
  • Ausgleich von Rohbautoleranzen über die 4 Justierfüße (+40 mm)
  • Befestigungswinkel an der Geräteoberseite und 2 Befestigungspunkte unterhalb des Wärmeübertragers zur Verschraubung mit dem Baukörper
  • Die Außenluftansaugung bzw. Fortluftausblasung erfolgt über 2 Fassadenöffnungen. Die Fassadenöffnungen müssen vom Kunden fachgerecht bereitgestellt werden und haben idealerweise ein Gefälle nach außen
  • Freier Querschnitt der Lüftungsöffnungen mindestens 0,031 m² je Öffnung (Außen- und Fortluft) und 0,1 m² je Öffnung (Zu- und Abuft)
  • Witterungsschutz der Außen- und Fortluftöffnung erfolgt als kundenseitige Leistung
  • Einbau und Erstellung aller Anschlüsse und Lieferung des Befestigungs-, Verbindungs- und Dichtungsmaterials erfolgen kundenseitig
  • Wasseranschlüsse für Vor- und Rücklauf befinden sich, vom Raum aus gesehen, auf der rechten Geräteseite
  • Kundenseitig ist auf die Möglichkeit zur Entleerung und Entlüftung zu achten
  • Elektroanschluss befindet sich, vom Raum aus gesehen, auf der rechten Geräteseite
  • Wir empfehlen eine Anbindung an das bauseitige Rohrnetz mit flexiblen Schläuchen, um den Wärmeübertrager zur Reinigung leicht entnehmen zu können
  • Die bauseitige Brüstungsverkleidung darf auf der Gerätevorderseite Wartungsarbeiten und Gerätemontage bzw. -demontage nicht einschränken

DOWNLOADS

Produktinfos

Zertifikate

Betriebsanleitungen

production {"x-frame-options"=>"SAMEORIGIN", "x-xss-protection"=>"1; mode=block", "x-content-type-options"=>"nosniff", "x-download-options"=>"noopen", "x-permitted-cross-domain-policies"=>"none", "referrer-policy"=>"strict-origin-when-cross-origin", "strict-transport-security"=>"max-age=31536000; includeSubDomains", "content-type"=>"text/html; charset=utf-8"}

Seite teilen

Diese Seite weiterempfehlen

Hier haben Sie die Möglichkeit diese Seite als Link weiter zu empfehlen.

Mit Stern (*) markierte Felder sind Pflichtfelder.

Kontakt

Vielen dank für Ihre Nachricht!

Ihre Empfehlung wurde verschickt und sollte jeden Moment beim Empfänger eingehen.

Kontakt

Wir sind für Sie da

Bitte spezifizieren Sie das Thema Ihrer Anfrage und Ihre Kontaktdaten.
Tel.: +49 (0)2845 / 202-0 | Fax: +49 (0)2845/202-265

Mit Stern (*) markierte Felder sind Pflichtfelder.

Kontakt

Vielen Dank für Ihre Nachricht!

Ihre Nachricht in ist unserem Service Center eingegangen und wird bearbeitet.
Unsere Abteilung für Service-Anfragen wird sich in Kürze mit Ihnen in Verbindung setzten.
Für allgemeine Fragen zu Produkten und Services erreichen Sie uns auch unter:
Tel.: +49 (0)2845 / 202-0 | Fax: +49 (0)2845/202-265

Kontakt

Wir sind für Sie da

Bitte spezifizieren Sie das Thema Ihrer Anfrage und Ihre Kontaktdaten.
Tel.: +49 (0)2845 / 202-0 | Fax: +49 (0)2845/202-265

Anhang (max. 10MB)

Mit Stern (*) markierte Felder sind Pflichtfelder.

Kontakt

Vielen Dank für Ihre Nachricht!

Ihre Nachricht in ist unserem Service Center eingegangen und wird bearbeitet.
Unsere Abteilung für Service-Anfragen wird sich in Kürze mit Ihnen in Verbindung setzten.
Für allgemeine Fragen zu Produkten und Services erreichen Sie uns auch unter:
Tel.: +49 (0)2845 / 202-0 | Fax: +49 (0)2845/202-265