X-CUBE ROOMAIR-B-ZAB+SEK 
Energielabel
Energielabel
Geprüft nach VDI 6022
Geprüft nach VDI 6022
Revision Kreuzstrom-Wärmerückgewinner
Revision Kreuzstrom-Wärmerückgewinner
Wasseranschluss
Wasseranschluss
Außenluftanschluss inklusive Dichtung und Außenlufttemperaturfühler 
Außenluftanschluss inklusive Dichtung und Außenlufttemperaturfühler 
Energielabel
Geprüft nach VDI 6022
Revision Kreuzstrom-Wärmerückgewinner
Wasseranschluss
Außenluftanschluss inklusive Dichtung und Außenlufttemperaturfühler 

X-CUBE ROOMAIR-B-ZAB+SEK         

ZU- UND ABLUFTGERÄT MIT SEKUNDÄRLUFTBEIMISCHUNG, INKLUSIVE KREUZSTROM-WÄRMERÜCKGEWINNER UND WÄRMEÜBERTRAGER ZUM EINBAU VOR DER BRÜSTUNG

Anschlussfertiges dezentrales Lüftungsgerät zur komfortablen Raumtemperierung 

sowie Be- und Entlüftung von Räumen

  • Erhöhte Heiz- und Kühlleistungen durch Sekundärluftbeimischung über dritten Ventilator
  • Akustisch optimierte EC-Ventilatoren mit niedriger spezifischer Ventilatorleistung, nach DIN EN 16798-3 SFP = 1
  • Kreuzstrom-Wärmerückgewinner (Rückwärmzahl 60 %)
  • Hocheffizienter Wärmeübertrager zum Heizen und Kühlen als 2- oder 4-Leiter- System
  • Anschluss des Wärmeübertragers raumseitig rechts
  • Kondensatwanne mit Kondensatanschluss (raumseitig rechts)
  • Ganzjährige Nutzung der Wärmerückgewinnung möglich (Kondensatanschluss bauseits notwendig)
  • Reduzierung der Feinstaub- und Pollenbelastung durch integrierte Luftfiltergemäß VDI 6022 – Filterklasse ISO ePM1 65 %/ISO Coarse 85 %
  • Servicefreundliche Wartungsdeckel für Filterwechsel und Reinigung der WRG
  • Motorisierte Absperrklappen, stromlos geschlossen
  • Automatische Umschaltung auf Sekundärluftbetrieb (luftqualitätsabhängig) 


Optionale Ausstattung und Zubehör

  • Speziell auf dezentrale Lüftungsgeräte ausgelegte und modular aufgebaute Regelung FSL-CONTROL III
  • Verschiedene Befestigungsmöglichkeiten für die Montage auf dem Boden bzw. an der Brüstung
  • Holzverkleidung als Raumlösung in diversen Farben inklusive TROX Lüftungsgittern für Zu- und Abluft (Selbstbausatz)

Technische Information

  • FUNKTION
  • TECHNISCHE DATEN
  • SCHNELLAUSLEGUNG
  • AUSSCHREIBUNGSTEXT
  • BESTELLSCHLÜSSEL

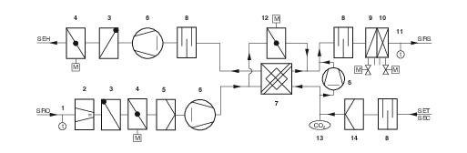
Dezentrale Zu- und Abluftgeräte mit Sekundärluftbeimischung be- und entlüften den Raum. Sie decken die Kühl- und Heizlast gemäß den technischen Daten ab. Die Außenluft wird von einem EC-Radialventilator angesaugt und strömt durch den wartungsfreien und mechanisch selbsttätigen Volumenstrombegrenzer Typ VFL, der werkseitig auf einen Maximalvolumenstrom voreingestellt wird. Dieser sorgt, ohne elektrische Hilfsenergie, für die Maximalbegrenzung des Außenluftvolumenstroms auf einen voreingestellten Wert bei allen Fassadenüberdrucksituationen. Anschließend durchströmt die Luft die motorisierte Absperrklappe, die selbsttätige Rückschlagklappe und den Außenluftfilter. Die selbsttätigen Rückschlagklappen in Außenluftansaugung und Fortluftausblasung verhindern eine Rückströmung konditionierter Luft bzw. vermeiden ungewollte Strömungsrichtungen. Danach strömt die Außenluft durch den Kreuzstrom- Wärmerückgewinner, der in energetisch sinnvollen Betriebssituationen und zum Geräteschutz umgangen werden kann. Bevor die Zuluft quellluftartig in den Raum strömt, wird sie bei Bedarf im Wärmeübertrager noch geheizt bzw. gekühlt. Um die Heiz- und Kühlleistungen zu erhöhen, wird der Zuluft durch den Sekundärluftventilator Raumluft beigemischt und so der Zuluftvolumenstrom erhöht. Die Abluft strömt durch den Außenluftfilter, bevor sie durch den Wärmerückgewinner, den Abluftventilator, die Rückschlagklappe und die motorisierte Absperrklappe als Fortluft ins Freie befördert wird. Bei ausreichend guter Raumluftqualität schaltet die FSL-CONTROL III Regelung durch Schließen der Außenluftklappen in den energetisch sinnvollen Sekundärluftbetrieb. Die Regelung vergleicht dabei die Sollwerte der Raumluftqualität mit den am CO2-Sensor gemessenen Istwerten und schaltet automatisch zwischen Außenluft- und Sekundärluftbetrieb um. Zum Brandschutz, Frostschutz und zur Vermeidung von Zugluft werden bei Stromausfall die Außenluft- und Fortluftklappe zugefahren. Hierzu besitzen die Stellantriebe einen Energiespeicher.
Die Zuluft strömt mit mittlerer Geschwindigkeit von 0,5 – 0,8 m/s fassadennah in den Raum. Durch die Induktionswirkung werden die Geschwindigkeiten bereits kurz nach dem Lufteintritt in den Raum abgebaut, so dass sich die Zuluft im Kühlfall über die gesamte Bodenfläche quellluftartig ausbreitet. An Wärmequellen wie Menschen und Geräten bildet sich durch natürliche Konvektion eine Auftriebsströmung, so dass primär in diesen Bereichen die Luft ausgetauscht wird.

Breite

1150 mm

Höhe

670 mm

Tiefe

320 mm

Außenluftvolumenstrom

60 – 150 m³/h

Zuluftvolumenstrom

140 – 300 m³/h

Nennvolumenstrom

200 m³/h

Schallleistungspegel

33 – 50 dB(A)

Wärmerückgewinnungsgrad

60 %

maximaler Betriebsdruck wasserseitig

6 bar

maximale Betriebstemperatur

75 °C

Versorgungsspannung

1~ 230 V AC, ±10 %, 50/60 Hz

Anschlussleistung

255 VA

Gewicht

75 kg

X-CUBE/ROOMAIR-B-ZAB+SEK (Auslegungsbeispiel 4-Leiter-Ausführung)

  1. Gesamtzuluftvolumenstromm³/h140170200240300
    Außenluftvolumenstromm³/h6090120120150
    Sekundärluftvolumenstromm³/h808080120150
    GesamtkühlleistungW4906307608501000
    RaumkühlleistungW374454534625711
    Lufttemperatur nach WRG°C28,629,229,629,029,0
    relative Feuchte%4544444545
    Wassergehalt der trockenen Luftg/kg11,111,211,311,211,2
    Zulufttemperatur°C18,018,018,018,218,9
    Kondensatg/h00000
    Kaltwassermengel/h115140180200200
    Wassereintrittstemperatur°C1616161616
    Wasseraustrittstemperatur°C19,719,919,719,720,3
    Druckverlust wasserseitigkPa1,52,03,04,04,0
    GesamtheizleistungW15502050242025802990
    RaumheizleistungW706784741922922
    Lufttemperatur nach WRG°C5,11,4-1,22,52,5
    Zulufttemperatur°C36,134,832,132,530,2
    Warmwassermengel/h90140160180200
    Wassereintrittstemperatur°C6060606060
    Wasseraustrittstemperatur°C45,047,246,847,547,0
    Druckverlust wasserseitigkPa1,02,53,03,54,0
    Schallleistungspegel LWAdB(A)3335384450
    Schalldruckpegel inklusive 8 dB SystemdämpfungdB(A)2527303642
    Wirkleistung PelW1920242838
    Luftseitige Daten Kühlbetrieb:
    • Temperatur/relative Feuchte Außenluft: 32 °C/40 %
    • Temperatur/relative Feuchte Raumluft: 26 °C/50 %

  2. Luftseitige Daten Heizbetrieb:
    • Temperatur/relative Feuchte Außenluft: -16 °C/90 %
    • Temperatur/relative Feuchte Raumluft: 21 °C/40 %

X-CUBE/ROOMAIR-B-ZAB+SEK-4-KM/1150x670x320/C3

Brüstungsgeräte für die Montage horizontal an der Fassade
Bitte beachten:
Dieser Ausschreibungstext beschreibt eine Brüstungslüftungsgerätevariante, ausgestattet mit einer im Gerät Integrierten Einzelraumregelung für raumautarken Betrieb. Die gelieferten Regler beinhalten die Parameter der Standardregelung für einen Betrieb gemäß unserer Regelungsbeschreibung. X-CUBE/ROOMAIR-B-ZAB+SEK Zu-Abluftgerät mit Sekundärluftbeimischung – MASTERGERÄT Brüstungslüftungsgerät TROX X-CUBE/ROOMAIR-B-ZAB+SEK mit Zu- und Abluftfunktion und Sekundärluftbetrieb, Wärmerückgewinnung sowie Heiz- und Kühlfunktion zum Einbau vor der Brüstung unterhalb der Fensterbank:

  • Gerätegehäuse aus verzinktem Stahlblech, Deckel und Blechverbindungen über Gewindetiefzüge und Edelstahlkreuzschlitzschrauben, alle notwendigen internen Luftkanalführungen abgedichtet und ausgekleidet, interne Elektrokabeldurchführungen abgedichtet, Sichtflächen pulverbeschichtet (RAL 9005, Tiefschwarz)
  • Auf der Oberseite Ansaugkanal für die Abluft- und Sekundärluftansaugung durch umlaufende Blechumkantung, ohne Dichtband, als zusätzliche Auflagemöglichkeit zum Ständerwerk der bauseitigen Brüstungsverkleidung, Andichtung zur Brüstungsverkleidung durch geschlossenporiges Dichtband zur Luftkurzschlussvermeidung (Dichtband nicht Lieferumfang TROX) ist erforderlich
  • Schall- und wärmedämmende Auskleidung auf Saug- und Druckseite aus glasseidenkaschierter Mineralwolle (Baustoffklasse A, nicht brennbar nach DIN 4102, T1), abriebfest bis Luftgeschwindigkeiten von 20 m/s, oder geschlossenporigem Dämmstoff
  • Das Gerät entspricht den hygienischen Anforderungen der VDI 6022
  • Höhenverstellbare Stellfüße, + 40 mm, zum Ausgleich von Rohbautoleranzen
  • Anschluss an die bauseitigen Außenluft- und Fortluftöffnungen der Fassade durch umlaufendes geschlossenporiges Dichtband auf der Geräterückseite, b × d = 50 × 10mm; der Ansaug- und Ausblaswiderstand der bauseitigen Konstruktion sollte den Nennvolumenstrom 20 Pa nicht überschreiten
  • Einsatz von drei energiesparenden EC-Radialgebläsen, Zu- und Abluftventilator eingestuft in Kategorie SFP 1 (< 500 W(m³/s) nach DIN EN 16798-3:2017-11, elektrische Leistungsaufnahme des gesamten Gerätes bei Nennvolumenstrom 200 m³/h < 25 Watt, zur Dimensionierung der Anschlussleitung ist eine Anschlussleistung von 255 VA zu berücksichtigen
  • Geeignet für bis zu 5 Drehzahlstufen (zwischen 170 und 300 m³/h), Ansteuerung über geräteinterne Einzelraumregelung, Volumenstromstufenkorrektur durch Anpassung der Steuerspannung nachträglich möglich
  • Erfüllt alle Anforderungen der EU-Verordnung 1253/2014 (Erp-Richtlinie)
  • Integrierter rekuperativer, Kreuzstrom-Wärmeübertrager (WRG) zur Wärmerückgewinnnung in seewasserbeständiger Aluminiumausführung, mit hohem Wirkungsgrad aufgrund spezieller Plattenstruktur, Plattenabständen und Paketlänge, inklusive Kondensatwanne und Ableitung in die Kondensatwanne des Wärmeübertragers. Zugänglichkeit zu Wartungszwecken über separaten Servicedeckel ohne Entfernen des Gerätedeckels möglich
  • Mit elektromotorischem Bypass, der den Luftvolumenstrom an der WRG bypassen lässt, Antrieb 24 V (stetig), 100 %, Ansteuerung über geräteinterne Einzelraumregelung
  • Schwenkbare, in den Schließeinrichtungen der Außen- und Fortluft integriert gelagerte selbsttätige Rückschlagklappen in Außen- und Fortluftbereich, die bei geöffneter wie geschlossener Absperrklappenvorrichtung eine Rückströmung konditionierter Luft bzw. ungewollten Strömungsrichtungen vermeiden
  • Motorische Absperrklappen in Außen- und Fortluftbereich, stromlos geschlossen im inaktiven Zustand durch Energiespeicher, Antrieb 230 V, Auf – Zu, Ansteuerung über geräteinterne Einzelraumregelung
  • Integrierter mechanisch selbsttätiger Volumenstrombegrenzer Typ VFL, wartungsfrei, voreingestellt auf einen Maximalvolumenstromwert, ohne elektrische Hilfsenergie zur Maximalbegrenzung des Außenluftvolumenstroms auf voreingestellten Wert bei allen Fassadenüberdrucksituationen. Der VFL besteht aus der Regeleinheit mit Sollwerteinstellung und Regelmechanik. Regelprinzip mechanisch selbsttätig mit Regelklappe. Reglerfeder und reibungsarmes, silikonfreies Dämpfungselement, lageunabhängig und wartungsfrei, hohe Regelgenauigkeit von ± 10 %, bezogen auf maximal im Druckbereich zwischen 30 und 300 Pa
  • Automatische Umschaltung auf Sekundärluftbetrieb (nur in Verbindung mit Luftqualitätssensor) erfolgt, sofern die Raumluftqualität (gemessen am z. B. geräteinternen CO2-Sensor) innerhalb der zuvor definierten Grenzwerte liegen
  • Im Gerät enthaltene elektrische Komponenten komplett verdrahtet mit FSL-CONTROL III, Regelkomponenten werden im Gerät integriert. Kabel zum bauseitigen Anschluss (Anschluss nicht Lieferumfang TROX) der Spannungsversorgung (L, N, PE) mit Aderendhülsen ca. 1 m aus dem Gerät herausgeführt: Als Übergabestelle zum bauseitigen Gewerk Elektro:
    • Spannungsversorgung (230 V): 3 Adern, 3 × 1,5 mm² (L, N, PE)
  • Anschlussmöglichkeit für Buskommunikation (optional), Anschluss Raumbediengerät etc. nach Öffnung des Kundenbereichs der Regelung. Als Übergabestelle zum bauseitigen Gewerk Messen/Steuern/Regeln:
    • Reihenklemmen Typ Wago 260 für den bauseitigen Anschluss von
      • Digitalen Eingängen DI
      • Digitalen Ausgängen DO
      • Master-Slave-Verbindung RS485
      • Optionale Integration in MBE/GA via RS485 (Modbus/BACnet)
      • Raumbediengerät
      • RJ45-Buchse als Servicezugang zur Bedienoberfläche
      • Optionale Integration in eine bauseitige MBE/GA via Ethernet (Modbus/BACnet)


  • Folgende Fühler werden zur Steuerung der Einzelraumregelung im Gerät angeordnet (die Raum-Ist-Temperatur wird am Raumbediengerät erfasst):
    • Raumluftqualitätssensor CO2
    • Zulufttemperaturerfassung nach dem Wärmeübertrager
    • Außenlufttemperaturerfassung in der Außenluftansaugung
  • 4-Leiter-Aluminium-Kupferrohr-Wärmeübertrager zur Lufterwärmung oder Luftkühlung, abgestimmt auf die projektspezifischen Daten, zur Reinigung leicht abnehmbar (entscheidend ist die bauseitige Anbindung an die Hauptverrohrung, nicht Lieferumfang TROX), Entleerungs- und Entlüftungsmöglichkeit pro Heiz-/Kühlkreislauf, Anordnung raumseitig rechts. Wir empfehlen eine Anbindung an das bauseitige Rohrnetz mit flexiblen Schläuchen (nicht im Lieferumfang der Fa. TROX), um den Wärmeübertrager zur Reinigung leicht entnehmen zu können
  • Übergabepunkte sind die handfest vormontierten Regelungskomponenten
    • Im Rücklauf Ventile: Übergabe mit G ½"-Außengewinde flach dichtend
    • Im Vorlauf Rücklaufverschraubungen: Übergabe mit G ½"-Außengewinde flach dichtend
  • Leicht reinigbare Kondensatwanne aus verzinktem Stahlblech, pulverbeschichtet RAL 9005, mit Kondensatableitung Ø 12 x 1 [mm]
  • Außenluftfilter als Plisseefilter Klasse ePM1 (Feinstaubfilter):
    • Filterklasse nach ISO16890: ISO ePM1 65 %
    • Eurovent-zertifiziert
    • ePM1-Filtermedien aus hochwertigem, nassfestem Glasfaserpapier sind in enge Falten gelegt, die Abstandshalter sind aus thermoplastischen Schmelzkleber und sorgen für einen gleichmäßigen Abstand (4mm) der Falten zueinander
    • Der Rahmen ist aus feuchtigkeitsbeständigem Vlies mit Auszuglaschen und darf den Durchströmquerschnitt nicht verkleinern (Filtergröße = Durchströmquerschnitt)
    • Filterfläche > = 1,6 m²
  • Abluftfilter Klasse G3 (Grobstaubfilter) als Flachfiltermedium, Filterklasse nach ISO16890: ISO coarse 55 %
  • Schneller Wechsel der Filter möglich, da Filtereinschub nach Öffnung der bauseitigen Verkleidung werkzeugfrei öffenbar über bedienerfreundliche Vierteldrehverschlüsse (Zugänglichkeit darf von der bauseitigen Brüstungsverkleidung nicht eingeschränkt werden)
  • Auflagemöglichkeit einer bauseitigen Fensterbank, Ansaugung der Abluft unterhalb der Fensterbank erfolgt an der Geräteoberseite
  • Geschlossenporige Dichtbänder zur Abdichtung und Anpassung an die bauseitige Verkleidung nicht Lieferumfang TROX
  • Die bauseitige Brüstungsverkleidung (Lieferumfang durch TROX auf Anfrage möglich) erhält Perforationen in festzulegenden Bereichen des Heizkörpers für die Zulufteinbringung in den Raum und darf auf der Gerätevorderseite Wartungsarbeiten sowie Gerätemontage und -demontage nicht einschränken. Auf der Verkleidungsoberseite befindet sich ebenfalls eine Perforation in festzulegenden Bereichen zur Abluftansaugung
  • Lichter Abstand Vorderkante Gerät zur Innenkante der Brüstungsverkleidung ca. 30 mm


Die Gerätefront muss nach Demontage der bauseitigen Verkleidung komplett zugänglich sein



Geräte, Abmessungen und Gewicht:



  • Breite: ca. 1150 mm (inklusive seitlichen Aufstellwinkeln)
  • Höhe: ca. 670 mm (ohne Andichtung zur Fensterbank, ohne Höhenverstellung)
  • Tiefe: ca. 320 mm (ohne komprimierbare Fassadenandichtung an der Geräterückseite)
  • Gewicht: ca. 75 kg


FSL-CONTROL III Regler

Inklusive Regelsystem FSL-CONTROL III, wie nachfolgend beschrieben:



FSL-CONTROL III ist als autarke Einzelraumregelung mit einfachem Zeitprogramm beschrieben. Optionale Erweiterungen, wie z. B. Integration in eine bauseitige MBE/GA via Modbus TCP, Modbus RTU, BACnet MS/TP oder BACnet IP, Feuchtesensorik, Rücklauftemperaturfühler, elektromotorische Ventilantriebe oder druckunabhängige Regelventile, sind im Lieferprogramm enthalten, müssen aber in der folgenden Beschreibung gegen die Standardkomponenten ausgetauscht werden. Zudem wird ein Raumtemperatursignal benötigt. Dazu stehen verschiedene Raumbediengeräte und Fühler zur Auswahl. Die zugehörigen optionalen Ausstattungstextbausteine finden Sie im Anhang der nachfolgenden Standardausstattung für raumautarken Betrieb  - siehe Optionales Regelungszubehör. Wir empfehlen eine Inbetriebnahme durch TROX. Zugehörige Textbausteine finden Sie weiter unten.



 



TROX Regelmodul FSL-CONTROL III (Bestellschlüssel ...-C3-MA ...):



  • Einzelraumregler zur DIN-Schienen-Montage im Gerät oder in separatem Regelungsgehäuse
  • 42 digitale bzw. analoge Ein- und Ausgänge
  • Als Flashspeichermedium ist eine microSD-Karte mit mindestens 2 GB Speicherplatz integriert. Dort werden die Trenddaten gespeichert und sind über die RJ45-Buchse abrufbar
  • Werkseitig mit speziell für dezentrale Lüftungsgeräte entwickeltem Softwarepaket für Mastergeräte ausgestattet. Die Software ermöglicht eine einfache Master-Slave-Kommunikation über Modbus RTU
  • Es können bis zu 10 Slavegeräte an ein Mastergerät angeschlossen werden
  • Die Software stellt 3 Betriebsmodi (Aus, Automatik und Handbetrieb), 3 Betriebsarten (Anwesend, Abwesend und Standby) und 4 Betriebsartenübersteuerungen (Boost, Klausur, Nachtlüftung und Lüfterzwangsschaltung) zur Verfügung
  • Grundsätzliche Unterscheidung zwischen Raumtemperaturregelung durch Ansteuerung von Heiz- und Kühlventilen bzw. stetiger Bypassklappe oder Zulufttemperaturregelung für isothermen Lüftungsbetrieb
  • CO2-geführte Luftqualitätsregelung
  • Ganzjährige WRG-Nutzung
  • Filterüberwachung
  • Konfigurierbare DI für bauseitigen Anschluss von Präsenzmeldern, Fensterkontakten, Ferienschaltung etc.
  • Alarmmeldungen: Typ A (Abschaltungen) und Typ B (Benachrichtigungen)
     


RTC Echtzeituhr

Real-Time-Clock (RTC/Echtzeituhr) (Bestellschlüssel ...-T/...):



  • Bestandteil des Master-Software-Pakets
  • Ermöglicht ein einfaches Zeitprogramm
    • 7 Tage mit jeweils 10 Schaltpunkten
    • Automatische Sommer-/Winterzeitumschaltung
    • Zeitliche Aktivierung der Nachtauskühlung


CO2-Sensor

CO2-Sensor (Bestellschlüssel .../C/...):



  • In der Abluftansaugung des Mastergerätes angeordneter Sensor zur Erfassung der Raumluftqualität und entsprechender Steuerung des Außenluftvolumenstroms
  • Messung über einen NDIR-Sensor, der auf Infrarotbasis arbeitet und durch sein 2-Strahl-Messprinzip etwaige Verschmutzungen kompensiert
  • Messbereich 0 – 2000 ppm


Zulufttemperaturfühler

Zulufttemperaturfühler (Bestellschlüssel .../Z/...):



  • Zulufttemperaturfühler mit NTC-Thermistor als Fühlerelement, Widerstand 10 kΩ bei 25 °C, Messbereich -35 – 105 °C
  • Besonders schnelle Reaktionszeit durch gelochte Messspitze


Außenlufttemperaturfühler

Außenlufttemperaturfühler (Bestellschlüssel .../A/...):



  • Außenlufttemperaturfühler mit NTC-Thermistor als Fühlerelement, Widerstand 10 kΩ bei 25 °C, Messbereich -35 – 105 °C


Wasserseitige Komponenten

Wasserseitige Komponenten (Bestellschlüssel…/HV-R-…/KV-R-…):



Ventilstellantriebe:



  • 2 × thermoelektrische Stellantriebe zum Öffnen und Schließen von Ventilen, mit Stellungsanzeige, inklusive steckbarer Anschlussleistung, Betriebsspannung 24 V DC, Steuerspannung 0 – 10 V DC, Leistungsaufnahme 1 W, Schutzart: IP 54


Durchgangsventile:



  • 2 × Durchgangskleinventile ½" Standard, handfest vormontiert, PN 16, DN 10, kvs 0,4 (alternativ 0,25, 0,63 oder 1,0 m³/h – bitte nennen Sie uns den benötigten kvs-Wert), Ventilgehäuse Durchgangsform mit Außengewinde beidseitig ½" flach dichtend, Medientemperatur 1 – 110 °C


Rücklaufverschraubungen:



  • 2 × Rücklaufverschraubungen beidseitig ½", handfest vormontiert, Nennweite DN 15; Ventilgehäuse Durchgangsform mit Außengewinde beidseitig ½" flach dichtend, zur Regulierung und Absperrung, Medientemperatur maximal 120 °C


Optionales Regelungszubehör

Optionale Ausstattungsmöglichkeiten zur Komfortsteigerung der Regelung FSL-CONTROL III:



TROX Raumbediengeräte für FSL-CONTROL III:



Je Raum wird mindestens ein Raumtemperatursignal benötigt. Es stehen von TROX diverse Varianten an Raumbediengeräten zur Verfügung, wahlweise mit oder ohne Stufenschaltung. Zusätzlich bieten wir einen Raumtemperaturfühler RTF ohne Bedienelemente an. Alternative bauseitige Raumbediengeräte müssen über eine Buskommunikation aufgeschaltet werden.



 



Digitale Raumbediengeräte für Aufputzmontage:



Für die Bedienung und Einstellung der Lüftungsgeräte.



  • Lose als Beistellteil mitgeliefert. Anbindung an Mastergerät über Modbus Serial line. Projektspezifische Software inklusive Sollwertsteller, diverser Statusanzeigen, Stufenschalter, CO2-Ampel. Berührungsempfindliches Farbdisplay 3,5", 320 × 240 Pixel. Sensor: NTC 10 kΩ. Schutzart: IP 20. Typ: Schneider TM172DCLWT. Abmessungen (H × B × T): 120 × 86 × 25 mm. Gewicht: 340 g. Farbe: weiß. Montage: Wandaufbau oder auf Standard-Unterputzdose. Versorgung: 24 V DC (inklusive passendem Schaltnetzteil für Unterputzmontage). Leistungsaufnahme: 3,2 VA/1,3 W. Optional weitere Designrahmen gegen Mehrpreis auf Anfrage erhältlich


 



Raumbediengeräte mit Stufenschalter für Aufputzmontage



Raumbediengerät mit Stufenschaltung, Typ Thermokon, Aufputzmontage:



  • Lose als Beistellteil mitgeliefert, mit Raumtemperaturfühler, Sollwertversteller, Übersteuerungstaste, LED und 3-Stufenschalter sowie Aus und Automatik, Gehäuse aus PVC0 reinweiß (RAL 9010), Montage auf 60 mm Unterputzdose oder direkt auf der Wand, NTC-Thermistor als Fühlerelement, Widerstand 20 kΩ bei 25 °C, Abmessungen (B × H × T): 84,5 × 84,5 × 25 mm, Betriebstemperatur: -35 – 70 °C


 




Raumbediengeräte ohne Stufenschalter für Aufputzmontage



Raumbediengerät ohne Stufenschalter, Typ Thermokon, Aufputzmontage:



  • Lose als Beistellteil mitgeliefert, mit Modusanzeige, Taster und Sollwertverstellung, Sensor NTC 20 kΩ, Schutzart: IP 20, Abmessungen (B × H × T) 84,5 × 84,5 × 25 mm


 




Raumtemperaturfühler für Aufputzmontage



Raumtemperaturfühler TROX RTF,  Aufputzmontage:



  • Lose als Beistellteil mitgeliefert, Raumfühler ohne Bedienelemente, Messbereich: -35 – 70 °C, Sensor NTC 10 kΩ, Anschlussklemme Schraubklemme, Kabelquerschnitt 1,5 mm2, Schutzart IP 20, Montage Wandaufbau oder auf 70 mm Unterputzdose, Abmessungen (B × H × T) 85 × 85 × 30 mm, Gehäuse ABS in RAL 9010


 



Raumbediengeräte ohne Stufenschalter für Unterputzmontage:



Manuelle Bedienung der Lüftungsgeräte, hochwertige Optik, passende Designrahmen aus verschiedenen Schalterprogrammen. Die Geräte eignen sich besonders für designorientierte Einrichtungen.



 



Raumbediengerät ohne Stufenschalter, Typ Thermokon, Unterputzmontage, Schalterprogramm Berker S.1 polarweiß



  • Lose als Beistellteil mitgeliefert, mit Modusanzeige, Taster und Sollwertverstellung, Sensor NTC 20 kΩ, Schutzart: IP 20


 



Raumbediengerät ohne Stufenschalter, Typ Thermokon, Unterputzmontage, Schalterprogramm Berker Q.3, weiß



  • Lose als Beistellteil mitgeliefert, mit Modusanzeige, Taster und Sollwertverstellung, Sensor NTC 20 kΩ, Schutzart: IP 20


 



Raumbediengerät ohne Stufenschalter, Typ Thermokon, Unterputzmontage, Schalterprogramm Busch Jäger future linear, weiß



  • Lose als Beistellteil mitgeliefert, mit Modusanzeige, Taster und Sollwertverstellung, Sensor NTC 20 kΩ, Schutzart: IP 20
  • Weitere Schalterprogramme auf Anfrage


 




Raumbediengeräte ohne Stufenschalter und ohne Sollwertsteller für Unterputzmontage:



Raumbediengerät ohne Stufenschalter und ohne Sollwertsteller, Typ Thermokon, Unterputzmontage, Schalterprogramm Gira E2



  • Lose als Beistellteil mitgeliefert, mit Modusanzeige und Taster, Sensor NTC 20 kΩ, Schutzart: IP 20
  • Weitere Schalterprogramme auf Anfrage


 



Elektromotorische Ventilstellantriebe als Alternative zum standardmäßig installierten thermoelektrischen Stellantrieben:



  • 2 × elektromotorische Stellantriebe zum Öffnen und Schließen von Ventilen, Betriebsspannung AC/DC 24 V, maximale Leistungsaufnahme 2,5 VA, Ansteuerung Stellsignal 3-Punkt DC 0 – 10 V, zulässige Medientemperatur 1 – 110 °C


 



Druckunabhängige Regelventile als Alternative zu den standardmäßig installierten Durchgangskleinventilen:



  • 2 × druckunabhängige Regelventile, handfest vormontiert mit modulierender Auf/Zu-Regelung in Kombination mit einem von außen einstellbaren, dynamischen Volumenstromregler, mit voller Ventilautorität, Nennweite DN 10, Ventilgehäuse Durchgangsform mit Außengewinde beidseitig ½" flach dichtend, Medientemperatur 0 – 120 °C


 



Schnittstelle zur Integration in eine bauseitige MBE/GA:




Modbus TCP-Schnittstelle inklusive Webserver (Bestellschlüssel .../MT/...):



Zur Komfortsteigerung empfehlen wir die Integration in eine bauseitige MBE/GA oder die Visualisierung mit X-TAIRMINAL. FSL-CONTROL III bietet die Möglichkeit, via Modbus TCP-Protokoll in eine bauseitige MBE/GA integriert zu werden. Zusätzlich inklusive Webserver zur vereinfachten Konfiguration, Inbetriebnahme und Fernüberwachung des Gerätes. Die MBE/GA ist nicht im Lieferumfang TROX enthalten, hier sind lediglich die zuvor aufgeführten Schnittstellen verfügbar.



  • Modbus TCP-Schnittstelle (Ethernet)


 



BACnet IP-Schnittstelle inklusive Webserver (Bestellschlüssel .../BI/...):



Zur Komfortsteigerung empfehlen wir die Integration in eine bauseitige MBE/GA. FSL-CONTROL III bietet die Möglichkeit, via BACnet-IP-Protokoll in eine bauseitige MBE/GA integriert zu werden. Zusätzlich inklusive Webserver zur vereinfachten Konfiguration, Inbetriebnahme und Fernüberwachung des Gerätes. Die MBE/GA ist nicht im Lieferumfang TROX enthalten, hier sind lediglich die zuvor aufgeführten Schnittstellen verfügbar.



  • BACnet IP-Schnittstelle (Ethernet)


 



Modbus RTU (Bestellschlüssel .../MR/...):



Zur Komfortsteigerung empfehlen wir die Integration in eine bauseitige MBE/GA. FSL-CONTROL III bietet die Möglichkeit, via Modbus RTU in eine bauseitige MBE/GA integriert zu werden. Die MBE/GA ist nicht im Lieferumfang TROX enthalten, hier sind lediglich die zuvor aufgeführten Schnittstellen verfügbar.



  • Modbus RTU-Schnittstelle (RS485)


 



BACnet MS/TP (Bestellschlüssel .../BM/...):



Zur Komfortsteigerung empfehlen wir die Integration in eine bauseitige MBE/GA. FSL-CONTROL III bietet die Möglichkeit, via BACnet MS/TP in eine bauseitige MBE/GA integriert zu werden. Die MBE/GA ist nicht im Lieferumfang TROX enthalten, hier sind lediglich die zuvor aufgeführten Schnittstellen verfügbar.



  • BACnet MS/TP-Schnittstelle (RS485)
     

Ausführung als SLAVEGERÄT 



Baugleich zum MASTERGERÄT, wie zuvor beschrieben, jedoch mit folgenden Abweichungen:



  • Keine Raumluftqualitätsmessung im Gerät
  • Keine Anschlussmöglichkeit für Raumbediengeräte
  • Keine Außentemperaturerfassung in der Außenluft
  • Keine Aufschaltung auf bauseitige Buskommunikation möglich
  • Vormontiertes autarkes Regelsystem für dezentrale Fassadenlüftungsgeräte in SLAVE-Ausführung


Inbetriebnahme der dezentralen Lüftungsgeräte

Inbetriebnahme/Parametrisierung der dezentralen Lüftungsgeräte ohne Integration in eine bauseitige MBE/GA



  • Sichtprüfung der bauseits vorgenommenen Geräteanschlüsse auf Übereinstimmung mit den jeweiligen Einbauvorgaben aus der Installations- und Konfigurationsanleitung: Luftanschlüsse; Heizungs-/Kälteanbindung; Elektroanschlüsse; Einbindung in die installierte Geräteverkleidung; Anschlüsse externer Teilnehmer
  • Prüfung und gegebenenfalls Anpassung der im Werk voreingestellten Projektparameter im Hinblick auf kundenspezifische Anpassungen
  • Funktionsprüfung der einzelnen Komponenten (Stellglieder, Ventilatoren, Ventile, Klappen, Sensoren)
  • Überprüfung der projektspezifischen Regelfunktionen inklusive eventueller Sonderfunktionen wie z. B. potentialfreier Schaltkontakte
  • Dokumentation der Geräteeinstellungen und des Einsatzes in einem Servicebericht. Der Servicebericht ist von Ihrem Unternehmen als Auftraggeber oder Ihrem Vertreter zu unterzeichnen
  • Die Abrechnung erfolgt als Pauschale, abgeleitet aus Geräteanzahl und Entfernung


 



Inbetriebnahme/Parametrisierung der dezentralen Lüftungsgeräte mit Integration in eine bauseitige MBE/GA



  • Sichtprüfung der bauseits vorgenommenen Geräteanschlüsse auf Übereinstimmung mit den jeweiligen Einbauvorgaben aus der Installations- und Konfigurationsanleitung: Luftanschlüsse; Heizungs-/Kälteanbindung; Elektroanschlüsse; Einbindung in die installierte Geräteverkleidung; Anschlüsse externer Teilnehmer; Anschlüsse der MBE/GA
  • Prüfung und gegebenenfalls Anpassung der im Werk voreingestellten Projektparameter im Hinblick auf kundenspezifische Anpassungen
  • Funktionsprüfung der einzelnen Komponenten (Stellglieder, Ventilatoren, Ventile, Klappen, Sensoren)
  • Überprüfung der projektspezifischen Regelfunktionen inklusive eventueller Sonderfunktionen wie z. B. potentialfreier Schaltkontakte
  • Funktionsprüfung der Kommunikation zur MBE/GA in Zusammenarbeit mit der bestellten MSR-Firma:
    • Überprüfung der bauseitig vorzunehmenden Einstellungen auf Übereinstimmung mit den Vorgaben aus der Installations- und Konfigurationsanleitung
    • Eingangsprüfung der bauseitig gesendeten Datenpunkte
    • Ausgangsprüfung der ausgegebenen Datenpunkte
    • Probebetrieb der von der MBE/GA schaltbaren Betriebszustände
  • Dokumentation der Geräteeinstellungen und des Einsatzes in einen Servicebericht. Der Servicebericht ist von Ihrem Unternehmen als Auftraggeber oder Ihrem Vertreter zu unterzeichnen
  • Die Abrechnung erfolgt als Pauschale, abgeleitet aus Geräteanzahl und Entfernung


 



Einweisung in Bedienung und Wartung



  • Einmalige Unterweisung zur Bedienung der dezentralen Lüftungsgeräte bestehend aus:
    • Beschreibung der Gerätefunktionen am bereits in Betrieb genommenem Gerät
    • Beschreibung der Raumbedieneinheit und der damit beeinflussbaren Raumkonditionen
    • Beschreibung der Wartungsarbeiten
  • Die Abrechnung erfolgt als Pauschale und wird durch den verantwortlichen Vertriebsmitarbeiter durchgeführt


 

RA-B-ZAB+SEK41KR / 1150 × 670 × 320 / C3MAT / MR / C / Z / A / HVR0.40 / KVR0.40
||||||||||||||||||
123456789101112131415161718

1 Serie
RA-B-ZAB+SEK horizontales dezentrales Brüstungslüftungsgerät mit 3 Ventilatoren X-CUBE/ROOMAIR-B-ZAB+SEK

2 Wärmeübertrager
2 2-Leiter
4 4-Leiter

3 Wärmeübertragerausführung

Ausführung angeben (technische Auslegung mit TROX EPF oder TROX CONFIGURATOR)

4 Ausführung
KR mit Kondensatablauf und Wasseranschluss rechts

5 Nenngröße [mm]

Breite × Höhe × Tiefe

1150 × 670 × 320

6 Regelung

OR ohne Regelung

C3 mit FSL-CONTROL III

7 Regelungsfunktion
MA Master

SL Slave

8 Echtzeituhr

Nur mit Regelungsfunktion MA

Keine Eintragung: ohne Echtzeituhr

T mit Echtzeituhr

9 Schnittstelle

Keine Eintragung: ohne Schnittstelle

MT mit Modbus TCP

MR mit Modbus RTU (nur mit Regelungsfunktion MA)
BI mit BACnet IP

BM mit BACnet MS/TP (nur mit Regelungsfunktion MA)

10 Luftqualitätsfühler

Nur mit Regelungsfunktion MA

Keine Eintragung: ohne Luftqualitätsfühler

C mit CO2-Sensor

V mit VOC-Sensor

11 Zulufttemperaturfühler
Z mit Zulufttemperaturfühler

12 Außenlufttemperaturfühler

Nur mit Regelungsfunktion MA

Keine Eintragung: ohne Außenlufttemperaturfühler

A mit Außenlufttemperaturfühler

13 Heizventil
HV mit thermoelektrischem Antrieb
HVE mit elektromotorischem Antrieb

14 Rücklaufverschraubung Heizkreis

R mit Rücklaufverschraubung

15 Kvs-Wert Heizventil

0,25 (Durchgangsventil)

0,40 (Durchgangsventil)

0,63 (Durchgangsventil)

1,00 (Durchgangsventil)

F0,50 (druckunabhängiges Regelventil)

16 Kühlventil

Nur mit Wärmeübertrager 4

KV mit thermoelektrischem Antrieb

KVE mit elektromotorischem Antrieb

17 Rücklaufverschraubung Kühlkreis

Nur mit Wärmeübertrager 4

R mit Rücklaufverschraubung

18 Kvs-Wert Kühlventil

Nur mit Wärmeübertrager 4

0,25 (Durchgangsventil)

0,40 (Durchgangsventil)

0,63 (Durchgangsventil)

1,00 (Durchgangsventil)

F0,50 (druckunabhängiges Regelventil)


Bestellbeispiel: RA-B-ZAB+SEK-4-1-KR/1150×670×320/C3-MA-T/MR/C/Z/A/HV-R-0,40/KV-R-0,40


Serie RA-Bhorizontales dezentrales Brüstungslüftungsgerät mit 3 Ventilatoren X-CUBE/ROOMAIR-B-ZAB+SEK
Wärmeübertrager44-Leiter
Wärmeübertragerausführung1Wärmeübertrager Typ 1
Ausführung KRmit Kondensatablauf und Wasseranschluss rechts
Nenngröße [mm]1150x670x320Breite 1150, Höhe 670, Tiefe 320
Regelung C3mit FSL-CONTROL III
RegelfunktionMAMaster
EchtzeituhrTmit Echtzeituhr
SchnittstelleMRmit Modbus RTU
LuftqualitätsfühlerCmit CO2-Sensor
ZulufttemperaturfühlerZmit Zulufttemperaturfühler
AußenlufttemperaturfühlerAmit Außenlufttemperaturfühler
HeizventilHVmit thermoelektrischem Antrieb 
Rücklaufverschraubung Heizkreis Rmit Rücklaufverschraubung 
Kvs-Wert Heizventil0,400,40 (Durchgangsventil)
KühlventilKVmit thermoelektrischem Antrieb 
Rücklaufverschraubung KühlkreisRmit Rücklaufverschraubung 
Kvs-Wert Kühlventil0,400,40 (Durchgangsventil)

Downloads

Produktinfos

Zertifikate

Betriebsanleitungen

production {"x-frame-options"=>"SAMEORIGIN", "x-xss-protection"=>"1; mode=block", "x-content-type-options"=>"nosniff", "x-download-options"=>"noopen", "x-permitted-cross-domain-policies"=>"none", "referrer-policy"=>"strict-origin-when-cross-origin", "strict-transport-security"=>"max-age=31536000; includeSubDomains", "content-type"=>"text/html; charset=utf-8"}

Seite teilen

Diese Seite weiterempfehlen

Hier haben Sie die Möglichkeit diese Seite als Link weiter zu empfehlen.

Mit Stern (*) markierte Felder sind Pflichtfelder.

Kontakt

Vielen dank für Ihre Nachricht!

Ihre Empfehlung wurde verschickt und sollte jeden Moment beim Empfänger eingehen.

Kontakt

Wir sind für Sie da

Bitte spezifizieren Sie das Thema Ihrer Anfrage und Ihre Kontaktdaten.
Tel.: +49 (0)2845 / 202-0 | Fax: +49 (0)2845/202-265

Mit Stern (*) markierte Felder sind Pflichtfelder.

Kontakt

Vielen Dank für Ihre Nachricht!

Ihre Nachricht in ist unserem Service Center eingegangen und wird bearbeitet.
Unsere Abteilung für Service-Anfragen wird sich in Kürze mit Ihnen in Verbindung setzten.
Für allgemeine Fragen zu Produkten und Services erreichen Sie uns auch unter:
Tel.: +49 (0)2845 / 202-0 | Fax: +49 (0)2845/202-265

Kontakt

Wir sind für Sie da

Bitte spezifizieren Sie das Thema Ihrer Anfrage und Ihre Kontaktdaten.
Tel.: +49 (0)2845 / 202-0 | Fax: +49 (0)2845/202-265

Anhang (max. 10MB)

Mit Stern (*) markierte Felder sind Pflichtfelder.

Kontakt

Vielen Dank für Ihre Nachricht!

Ihre Nachricht in ist unserem Service Center eingegangen und wird bearbeitet.
Unsere Abteilung für Service-Anfragen wird sich in Kürze mit Ihnen in Verbindung setzten.
Für allgemeine Fragen zu Produkten und Services erreichen Sie uns auch unter:
Tel.: +49 (0)2845 / 202-0 | Fax: +49 (0)2845/202-265