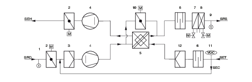
SEH Fortluft Einzelraum
SRO Außenluft Einzelraum
SRS Zuluft Einzelraum
SET Abluft Einzelraum
SEC Sekundärluft Einzelraum
1 Außenlufttemperaturfühler (optional)
2 Absperrklappe mit Stellantrieb (Fortluft und Außenluft)
3 Feinstaubfilter ePM1
4 EC-Ventilator (Zu- und Abluft)
5 Rekuperativer Wärmerückgewinner
6 Schalldämpfer
7 Lufterhitzer
8 Luftkühler (optional)
9 Zulufttemperaturfühler (optional)
10 Bypassklappe mit Stellantrieb (stetig)
11 CO2-Sensor (optional)
12 Abluftfilter ISO Coarse
Dezentrale Zu- und Abluftgeräte be- und entlüften den Raum. Sie decken die Kühl- und Heizlast gemäß den technischen Daten ab.
Die Außenluft wird von einem EC‑Radialventilator angesaugt und strömt durch die motorisierte Absperrklappe sowie durch den Außenluftfilter.
Danach strömt die Außenluft durch den Kreuzstrom-Wärmerückgewinner, der in energetisch sinnvollen Betriebssituationen und zum Geräteschutz
abgeschaltet werden kann.
Bevor die Zuluft quellluftartig in den Raum strömt, wird sie bei Bedarf im Wärmeübertrager noch geheizt bzw. gekühlt (optional bei 4-Leiter Geräten).
Die Abluft strömt durch den Außenluftfilter, bevor sie durch den Wärmerückgewinner, den Abluftventilator und die motorisierte Absperrklappe als Fortluft ins Freie gefördert wird.
Bei ausreichend guter Raumluftqualität schaltet die FSL‑CONTROL III Regelung durch Schließen der Außenluftklappen in den energetisch sinnvollen Sekundärluftbetrieb.
Die Regelung vergleicht dabei die Soll-Werte der Raumluftqualität mit den am CO2‑Sensor gemessenen Ist-Werten und schaltet automatisch zwischen Außenluft- und Sekundärluftbetrieb um.
Zum Brandschutz, Frostschutz und zur Vermeidung von Zugluft werden bei Stromausfall die Außenluft- und Fortluftklappe zugefahren. Hierzu besitzen die Stellantriebe einen Energiespeicher.
Die Zuluft strömt mit mittlerer Geschwindigkeit von 1,0 – 1,5 m/s fassadennah in den Raum. Durch die Induktionswirkung werden die Geschwindigkeiten bereits kurz nach dem Lufteintritt in den Raum abgebaut, so dass sich die Zuluft im Kühlfall über die gesamte Bodenfläche quellluftartig ausbreitet.
An Wärmequellen wie Menschen und Geräten bildet sich durch natürliche Konvektion eine Auftriebsströmung, so dass primär in diesen Bereichen die Luft ausgetauscht wird.
| Breite | 1590 mm |
| Höhe | 646 mm |
| Tiefe | 420 mm |
| Volumenstrom | 150, 200, 250 m³/h (Boost 320 m³/h) |
| Nennvolumenstrom | 250 m³/h |
| Schallleistungspegel | 29 – 43 dB(A) |
Wärmerückgewinnungsgrad | 60 % |
| maximaler Betriebsdruck wasserseitig | 6 bar |
| maximale Betriebstemperatur | 75 °C |
| Versorgungsspannung | 230 V AC ±10 %, 50/60 Hz |
| Anschlussleistung | 238 VA |
| Gewicht | 80 kg |
X-CUBE/SCHOOLAIR-B: Wärmeübertragerausführung Typ 3 (2-Leiter Ausführung – aktiv heizen)
| Zuluftvolumenstrom | m³/h | 150 | 200 | 250 | 320 |
| Gesamtheizleistung | W | 2520 | 3350 | 4250 | 5290 |
| Raumheizleistung | W | 706 | 934 | 1224 | 1422 |
| Temperatur der Luft im Gerät | °C | -12,0 | -12,0 | -12,0 | -12,0 |
| Zulufttemperatur | °C | 32,5 | 32,4 | 33,0 | 31,8 |
| Warmwassermenge | l/h | 70 | 100 | 150 | 200 |
| Wassereintrittstemperatur | °C | 50 | 50 | 50 | 50 |
| Wasseraustrittstemperatur | °C | 18,7 | 20,9 | 25,3 | 27,0 |
| Druckverlust wasserseitig | kPa | 0,7 | 1,3 | 2,6 | 4,4 |
Schallleistungspegel LWA | dB(A) | 29 | 34 | 38 | 43 |
| Schalldruckpegel inkl. 8 dB Systemdämpfung | dB(A) | 21 | 26 | 30 | 35 |
Wirkleistung Pel | W | 24 | 30 | 40 | 56 |
Luftseitige Daten Heizbetrieb:
X-CUBE/SCHOOLAIR-B: Wärmeübertragerausführung Typ 2 (2-Leiter Ausführung – isotherme Zulufteinbringung)
| Zuluftvolumenstrom | m³/h | 150 | 200 | 250 | 320 |
| Gesamtheizleistung | W | 1900 | 2500 | 3150 | 4020 |
| Raumheizleistung | W | 90 | 75 | 122 | 145 |
| Temperatur der Luft im Gerät | °C | -12,0 | -12,0 | -12,0 | -12,0 |
| Zulufttemperatur | °C | 21,6 | 21,0 | 21,3 | 21,2 |
| Warmwassermenge | l/h | 50 | 70 | 100 | 150 |
| Wassereintrittstemperatur | °C | 50 | 50 | 50 | 50 |
| Wasseraustrittstemperatur | °C | 16,9 | 19,0 | 22,6 | 26,7 |
| Druckverlust wasserseitig | kPa | 0,8 | 1,5 | 2,8 | 5,7 |
Schallleistungspegel LWA | dB(A) | 29 | 34 | 38 | 43 |
| Schalldruckpegel inkl. 8 dB Systemdämpfung | dB(A) | 21 | 26 | 30 | 35 |
Wirkleistung Pel | W | 24 | 30 | 40 | 56 |
Luftseitige Daten Heizbetrieb:
X-CUBE/SCHOOLAIR-B: Wärmeübertragerausführung Typ 2 (4-Leiter Ausführung)
Zuluftvolumenstrom | m³/h | 150 | 200 | 250 | 320 |
| Gesamtkühlleistung | W | 690 | 910 | 1150 | 1450 |
| Raumkühlleistung | W | 384 | 512 | 640 | 799 |
| Temperatur der Luft im Gerät | °C | 32,0 | 32,0 | 32,0 | 32,0 |
relative Feuchte | % | 40 | 40 | 40 | 40 |
Wassergehalt der trockenen Luft | g/kg | 11,9 | 11,9 | 11,9 | 11,9 |
| Zulufttemperatur | °C | 18,0 | 18,0 | 18,0 | 18,2 |
| Kondensat | g/h | 0 | 0 | 0 | 0 |
| Kaltwassermenge | l/h | 88 | 118 | 155 | 200 |
| Wassereintrittstemperatur | °C | 16 | 16 | 16 | 16 |
| Wasseraustrittstemperatur | °C | 22,7 | 22,7 | 22,4 | 22,2 |
| Druckverlust wasserseitig | kPa | 1,5 | 2,6 | 4,2 | 6,6 |
| Gesamtheizleistung | W | 2300 | 3080 | 3670 | 4360 |
| Raumheizleistung | W | 486 | 655 | 640 | 494 |
| Temperatur der Luft im Gerät | °C | -12,0 | -12,0 | -12,0 | -12,0 |
| Zulufttemperatur | °C | 28,6 | 28,7 | 26,8 | 24,1 |
| Warmwassermenge | l/h | 90 | 150 | 180 | 200 |
| Wassereintrittstemperatur | °C | 50 | 50 | 50 | 50 |
| Wasseraustrittstemperatur | °C | 27,8 | 32,2 | 32,3 | 31,0 |
| Druckverlust wasserseitig | kPa | 0,7 | 1,8 | 2,5 | 3,0 |
Schallleistungspegel LWA | dB(A) | 29 | 34 | 38 | 43 |
| Schalldruckpegel inkl. 8 dB Systemdämpfung | dB(A) | 21 | 26 | 30 | 35 |
Wirkleistung Pel | W | 24 | 30 | 40 | 56 |
Luftseitige Daten Kühlbetrieb:
Luftseitige Daten Heizbetrieb:
X-CUBE/SCHOOLAIR-B-2/KR/1590×646×420/C3
Schullüftungsgerät – Brüstungseinbau – MASTERGERÄT
Bitte beachten:
Die beschriebene Brüstungslüftungsgerätevariante ist mit einer im Gerät integrierten Einzelraumregelung ausgestattet.
Die gelieferten Regler beinhalten die Parameter der Standardregelung für einen Betrieb gemäß unserer Regelungsbeschreibung
Brüstungslüftungsgerät TROX X-CUBE/SCHOOLAIR-B mit Zu- und Abluftfunktion und Umschaltmöglichkeit auf Sekundärluftbetrieb (luftqualitätsabhängig), Wärmerückgewinnung sowie Heizfunktion zum Einbau vor der Brüstung unterhalb der Fensterbank:
Geräte – Abmessungen und Gewicht:
Breite: ca. 1590 mm (inkl. Befestigungslaschen)
Höhe: ca. 646 mm (Stellfuß bis Geräteoberkante, zusätzlich Abstand für Abluftansaugung)
Tiefe: ca. 420 mm (ohne Fassadenandichtung)
Gewicht: ca. 80 kg
FSL-CONTROL III Regler
Inklusive Regelsystem FSL-CONTROL III, wie nachfolgend beschrieben:
FSL-CONTROL III ist als autarke Einzelraumregelung mit einfachem Zeitprogramm beschrieben. Optionale Erweiterungen, wie z. B. Integration in eine bauseitige MBE/GA via Modbus TCP, Modbus RTU, BACnet MS/TP oder BACnet IP, Feuchtesensorik, Rücklauftemperaturfühler, elektromotorische Ventilantriebe oder druckunabhängige Regelventile, sind im Lieferprogramm enthalten, müssen aber in der folgenden Beschreibung gegen die Standardkomponenten ausgetauscht werden. Zudem wird ein Raumtemperatursignal benötigt. Dazu stehen verschiedene Raumbediengeräte und Fühler zur Auswahl. Die zugehörigen optionalen Ausstattungstextbausteine finden Sie im Anhang der nachfolgenden Standardausstattung für raumautarken Betrieb - siehe Optionales Regelungszubehör. Wir empfehlen eine Inbetriebnahme durch TROX. Zugehörige Textbausteine finden Sie weiter unten.
TROX Regelmodul FSL-CONTROL III (Bestellschlüssel ...-C3-MA ...):
Real-Time-Clock (RTC/Echtzeituhr) (Bestellschlüssel ...-T/...):
CO2-Sensor
CO2-Sensor (Bestellschlüssel .../C/...):
Zulufttemperaturfühler
Zulufttemperaturfühler (Bestellschlüssel .../Z/...):
Außenlufttemperaturfühler
Außenlufttemperaturfühler (Bestellschlüssel .../A/...):
Wasserseitige Komponenten
Wasserseitige Komponenten (Bestellschlüssel…/HV-R-…):
Ventilstellantrieb:
1 × thermoelektrischer Stellantrieb zum Öffnen und Schließen von Ventilen, mit Stellungsanzeige, inklusive steckbarer Anschlussleitung, Betriebsspannung 24 V DC, Steuerspannung 0 – 10 V DC, Leistungsaufnahme 1 W, Schutzart: IP 54
Durchgangsventil:
1 × Durchgangskleinventil ½" Standard, handfest vormontiert, PN 16, DN 10, kvs 0,4 (alternativ 0,25, 0,63 oder 1,0 m³/h – bitte nennen Sie uns den benötigten kvs-Wert), Ventilgehäuse Durchgangsform mit Außengewinde beidseitig ½“ flach dichtend, Medientemperatur 1 – 110 °C
Rücklaufverschraubung:
1 × Rücklaufverschraubung beidseitig ½“, handfest vormontiert, Nennweite DN 15; Ventilgehäuse Durchgangsform mit Außengewinde beidseitig ½“ flach dichtend, zur Regulierung und Absperrung, Medientemperatur maximal 120 °C
Optionales Regelungszubehör
Optionale Ausstattungsmöglichkeiten zur Komfortsteigerung der Regelung FSL-CONTROL III:
TROX Raumbediengeräte für FSL-CONTROL III
Je Raum wird mindestens ein Raumtemperatursignal benötigt. Es stehen von TROX diverse Varianten an Raumbediengeräten zur Verfügung, wahlweise mit oder ohne Stufenschaltung. Zusätzlich bieten wir einen Raumtemperaturfühler RTF ohne Bedienelemente an. Alternative bauseitige Raumbediengeräte müssen über eine Buskommunikation aufgeschaltet werden
Digitale Raumbediengeräte für Aufputzmontage:
Für die Bedienung und Einstellung der Lüftungsgeräte.
Raumbediengeräte mit Stufenschalter für Aufputzmontage:
Raumbediengerät mit Stufenschaltung, Typ Thermokon, Aufputzmontage:
Raumbediengeräte ohne Stufenschalter für Aufputzmontage:
Raumbediengerät ohne Stufenschalter, Typ Thermokon, Aufputzmontage:
Raumtemperaturfühler für Aufputzmontage:
Raumtemperaturfühler TROX RTF, Aufputzmontage
Raumbediengeräte ohne Stufenschalter für Unterputzmontage:
Für die manuelle Bedienung der Lüftungsgeräte in hochwertiger Optik und den passenden Designrahmen aus verschiedensten Schalterprogrammen eignet sich das Gerät für besonders designorientierte Einrichtungen.
Raumbediengerät ohne Stufenschalter, Typ Thermokon, Unterputzmontage, Schalterprogramm Berker S.1 polarweiß
Raumbediengerät ohne Stufenschalter, Typ Thermokon, Unterputzmontage, Schalterprogramm Berker Q.3, weiß
Raumbediengerät ohne Stufenschalter, Typ Thermokon, Unterputzmontage, Schalterprogramm Busch-Jäger future linear, weiß
Weitere Schalterprogramme auf Anfrage.
Raumbediengeräte ohne Stufenschalter und ohne Sollwertsteller für Unterputzmontage:
Raumbediengerät ohne Stufenschalter und ohne Sollwertsteller, Typ Thermokon, Unterputzmontage, Schalterprogramm Gira E2
Weitere Schalterprogramme auf Anfrage
Elektromotorischer Ventilstellantrieb:
Als Alternative zum standardmäßig installierten thermoelektrischen Stellantrieb
Druckunabhängiges Regelventil:
Als Alternative zum standardmäßig installierten Durchgangskleinventil
Schnittstelle zur Integration in eine bauseitige MBE/GA: Modbus TCP-Schnittstelle inklusive Webserver (Bestellschlüssel .../MT/...)
Zur Komfortsteigerung empfehlen wir die Integration in eine bauseitige MBE/GA, oder die Visualisierung mit X-TAIRMINAL. FSL-CONTROL III bietet die Möglichkeit, via Modbus TCP-Protokoll in eine bauseitige MBE/GA integriert zu werden. Zusätzlich inklusive Webserver zur vereinfachten Konfiguration, Inbetriebnahme und Fernüberwachung des Gerätes. Die MBE/GA ist nicht im Lieferumfang TROX enthalten, hier sind lediglich die zuvor aufgeführten Schnittstellen verfügbar.
BACnet IP-Schnittstelle inklusive Webserver (Bestellschlüssel .../BI/...)
Zur Komfortsteigerung empfehlen wir die Integration in eine bauseitige MBE/GA. FSL-CONTROL III bietet die Möglichkeit, via BACnet-IP-Protokoll in eine bauseitige MBE/GA integriert zu werden. Zusätzlich inklusive Webserver zur vereinfachten Konfiguration, Inbetriebnahme und Fernüberwachung des Gerätes. Die MBE/GA ist nicht im Lieferumfang TROX enthalten, hier sind lediglich die zuvor aufgeführten Schnittstellen verfügbar.
Modbus RTU (Bestellschlüssel .../MR/...)
Zur Komfortsteigerung empfehlen wir die Integration in eine bauseitige MBE/GA. FSL-CONTROL III bietet die Möglichkeit, via Modbus RTU in eine bauseitige MBE/GA integriert zu werden. Die MBE/GA ist nicht im Lieferumfang TROX enthalten, hier sind lediglich die zuvor aufgeführten Schnittstellen verfügbar.
BACnet MS/TP (Bestellschlüssel .../BM/...)
Zur Komfortsteigerung empfehlen wir die Integration in eine bauseitige MBE/GA. FSL-CONTROL III bietet die Möglichkeit, via BACnet MS/TP in eine bauseitige MBE/GA integriert zu werden. Die MBE/GA ist nicht im Lieferumfang TROX enthalten, hier sind lediglich die zuvor aufgeführten Schnittstellen verfügbar.
Ausführung als SLAVEGERÄT
Baugleich zum MASTERGERÄT, wie zuvor beschrieben, jedoch mit folgenden Abweichungen:
Ersatzfilterset passend zur Geräteausführung
Inbetriebnahme der dezentralen Lüftungsgeräte
Inbetriebnahme/Parametrisierung der dezentralen Lüftungsgeräte ohne Integration in eine bauseitige MBE/GA
Inbetriebnahme/Parametrisierung der dezentralen Lüftungsgeräte mit Integration in eine bauseitige MBE/GA
Einweisung in Bedienung und Wartung
| SA-B | – | – | 4 | – | 1 | / | KR | / | 1590 × 646 × 420 | / | C3 | – | MA | – | T | / | MR | / | C | / | Z | / | A | / | HV | – | R | – | 0,40 | / | KV | – | R | – | 0,40 | |
| | | | | | | | | | | | | | | | | | | | | | | | | | | | | | | | | | | | | | | ||||||||||||||||||
| 1 | 2 | 3 | 4 | 5 | 6 | 7 | 8 | 9 | 10 | 11 | 12 | 13 | 14 | 15 | 16 | 17 | 18 | 19 |
Bestellbeispiel: SA-B-4-1-KR/1590×646×420/C3-MA-T/MR/C/Z/A/HV-R-0,40/KV-R-0,40
| Serie | SA-B | horizontales dezentrales Brüstungslüftungsgerät X-CUBE/SCHOOLAIR-B |
| Variante | - | Standard |
| Wärmeübertrager | 4 | 4-Leiter |
| Wärmeübertragerausführung | 1 | Wärmeübertrager Typ 1 |
| Ausführung | KR | mit Kondensatablauf und Wasseranschluss rechts |
| Nenngröße [mm] | 1590×646×420 | Breite 2090, Höhe 750, Tiefe 420 |
| Regelung | C3 | mit FSL-CONTROL III |
| Regelungsfunktion | MA | Master |
| Echtzeituhr | T | mit Echtzeituhr |
| Schnittstelle | MR | mit Modbus RTU |
| Luftqualitätsfühler | C | mit CO2-Sensor |
| Zulufttemperaturfühler | Z | mit Zulufttemperaturfühler |
| Außenlufttemperaturfühler | A | mit Außenlufttemperaturfühler |
| Heizventil | HV | mit thermoelektrischem Antrieb |
| Rücklaufverschraubung Heizkreis | R | mit Rücklaufverschraubung |
| kVS-Wert Heizventil | 0,40 | 0,40 (Durchgangsventil) |
| Kühlventil | KV | mit thermoelektrischem Antrieb |
| Rücklaufverschraubung Kühlkreis | R | mit Rücklaufverschraubung |
| kVS-Wert Kühlventil | 0,40 | 0,40 (Durchgangsventil) |
Bestellbeispiel: SA-B-4-1-KR/1590×646×420/C3-SL/MT/Z/HV-R-0,40/KV-R-0,25
| Serie | SA-B | horizontales dezentrales Brüstungslüftungsgerät X-CUBE/SCHOOLAIR-B |
| Variante | - | Standard |
| Wärmeübertrager | 4 | 4-Leiter |
| Wärmeübertragerausführung | 1 | Wärmeübertrager Typ 1 |
| Ausführung | KR | mit Kondensatablauf und Wasseranschluss rechts |
| Nenngröße [mm] | 1590×646×420 | Breite 2090, Höhe 750, Tiefe 420 |
| Regelung | C3 | mit FSL-CONTROL III |
| Regelungsfunktion | SL | Slave |
| Echtzeituhr | - | - |
| Schnittstelle | MT | mit Modbus TCP |
| Luftqualitätsfühler | - | - |
| Zulufttemperaturfühler | Z | mit Zulufttemperaturfühler |
| Außenlufttemperaturfühler | - | - |
| Heizventil | HV | mit thermoelektrischem Antrieb |
| Rücklaufverschraubung Heizkreis | R | mit Rücklaufverschraubung |
| kVS-Wert Heizventil | 0,40 | 0,40 (Durchgangsventil) |
| Kühlventil | KV | mit thermoelektrischem Antrieb |
| Rücklaufverschraubung Kühlkreis | R | mit Rücklaufverschraubung |
| kVS-Wert Kühlventil | 0,25 | 0,25 (Durchgangsventil) |
Einbau und Inbetriebnahme
Seite teilen
Diese Seite weiterempfehlen
Hier haben Sie die Möglichkeit diese Seite als Link weiter zu empfehlen.
Kontakt
Vielen dank für Ihre Nachricht!
Ihre Empfehlung wurde verschickt und sollte jeden Moment beim Empfänger eingehen.
Kontakt
Wir sind für Sie da
Bitte spezifizieren Sie das Thema Ihrer Anfrage und Ihre Kontaktdaten.
Tel.: +49 (0)2845 / 202-0 | Fax: +49 (0)2845/202-265
Kontakt
Vielen Dank für Ihre Nachricht!
Ihre Nachricht in ist unserem Service Center eingegangen und wird bearbeitet.
Unsere Abteilung für Service-Anfragen wird sich in Kürze mit Ihnen in Verbindung setzten.
Für allgemeine Fragen zu Produkten und Services erreichen Sie uns auch unter:
Tel.: +49 (0)2845 / 202-0 | Fax: +49 (0)2845/202-265
Kontakt
Wir sind für Sie da
Bitte spezifizieren Sie das Thema Ihrer Anfrage und Ihre Kontaktdaten.
Tel.: +49 (0)2845 / 202-0 | Fax: +49 (0)2845/202-265
Kontakt
Vielen Dank für Ihre Nachricht!
Ihre Nachricht in ist unserem Service Center eingegangen und wird bearbeitet.
Unsere Abteilung für Service-Anfragen wird sich in Kürze mit Ihnen in Verbindung setzten.
Für allgemeine Fragen zu Produkten und Services erreichen Sie uns auch unter:
Tel.: +49 (0)2845 / 202-0 | Fax: +49 (0)2845/202-265